業內資訊、短視頻軟件
分享期(qi)限(xian):2018-05-25 16:55:43 搜(sou)素:9735
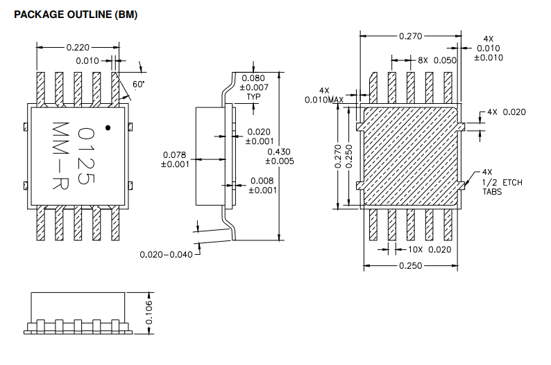
AMCOM的(de)(de)AM012535MM-BM-R與AM012535MM-FM-R是(shi)(shi)GaAs MMIC功(gong)率(lv)放大器(qi)系(xi)列(lie)的(de)(de)一部分。它(ta)有(you)(you)20 dB增益(yi)和(he)33 dBm輸(shu)出(chu)功(gong)率(lv),超(chao)過0.03到(dao)2.5 GHz。這(zhe)個(ge)MMIC是(shi)(shi)在(zai)一個(ge)陶瓷(ci)封裝(zhuang)中(zhong),在(zai)包裝(zhuang)的(de)(de)較(jiao)低的(de)(de)層(ceng)次上有(you)(you)射頻和(he)直流導(dao)線,以方(fang)便低成(cheng)本的(de)(de)SMT組裝(zhuang)到(dao)PC板(ban)上。當直接安(an)裝(zhuang)到(dao)PCB板(ban)上時,請參閱(yue)應用說明AN700。由于高直流功(gong)率(lv)損耗,我(wo)們強(qiang)烈建(jian)議將這(zhe)些設備直接安(an)裝(zhuang)在(zai)金(jin)屬(shu)散熱器(qi)上。AM012535MM-FM-R是(shi)(shi)安(an)裝(zhuang)在(zai)鍍金(jin)銅法蘭上的(de)(de)AM012535MM-BM-R。法蘭上有(you)(you)兩(liang)個(ge)螺絲孔,便于擰到(dao)一個(ge)金(jin)屬(shu)散熱器(qi)上。 這(zhe)個(ge)MMIC是(shi)(shi)符合RoHS要(yao)求(qiu)的(de)(de)。該產品通常在(zai)20V上有(you)(you)偏差,但它(ta)的(de)(de)工(gong)作效率(lv)低至6V,具有(you)(you)相同的(de)(de)增益(yi)和(he)減少的(de)(de)輸(shu)出(chu)功(gong)率(lv)。
如果您需用進貨AM012535MM-BM-R/AM012535MM-FM-R,請雙擊右邊客服中心搞好關系公司!!!
| 品牌 | 型號 | 描述 | 貨期 | 庫存 |
| AMCOM | AM012535MM-BM-R/AM012535MM-FM-R | 20 dB增益控制和33 dBm輸出電壓馬力,達到0.03到2.5 GHz。 | 現貨 | 300 |

應用