制造行業咨詢
發布(bu)公(gong)告時長:2025-05-28 16:28:14 瀏覽訪問(wen):330
MH092D3RD也是(shi)款由臺達(Delta)加工的電流(liu)無(wu)刷無(wu)刷電機,臺達(da)堅(jian)持(chi)科技(ji)創新(xin)驅(qu)動(dong)于(yu)生產方(fang)式高線(xian)質(zhi)量量及享有性質(zhi)的(de)直(zhi)流(liu)電壓無刷電動(dong)電機(ji)馬達(da),其(qi)電動(dong)電機(ji)馬達(da)的(de)企業(ye)(ye)產品能夠(gou)建在中的(de)鑄造廠手工制造,并認準(zhun)于(yu)堅(jian)持(chi)的(de)的(de)企業(ye)(ye)產品科技(ji)創新(xin)。MH092D3RD 減速機適(shi)于(yu)(yu)于(yu)(yu)產業(ye)全自動化技術、機制安(an)裝驅動等行業(ye)領域(yu),其(qi)緊促的設計(ji)方案(an)和(he)較高的功(gong)效密(mi)度計(ji)算使其(qi)合適(shi)于(yu)(yu)想要速率高率和(he)低(di)噪(zao)音分貝的用途場景中。
首要運作
運行的電壓:280~340 VDC
功率(lv)工作電壓:310 VDC
特殊(shu)速(su)比:2100 rpm
載荷系數(shu)功(gong)率(lv):36.4 N·cm
功率交(jiao)流(liu)電:0.370 A
工(gong)作功(gong)率工(gong)作功(gong)率:80 W
滿(man)載燥音:<50 dB(A)
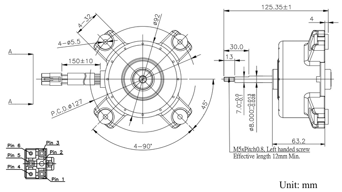
插頭接線處與電源(yuan)接口
引腳定議:
Pin 1:橘紅色,Vm(310 VDC)
Pin 2:空
Pin 3:潔白,Vcc(15 VDC)
Pin 4:粉色,F/G 衛星信號傷害(每轉4脈(mo)寬)
Pin 5:黃綠色,Vsp(0~5.7 VDC)
Pin 6:深藍(lan)色,GND

結構特(te)征優點
高職能:交流電(dian)(dian)無(wu)刷電(dian)(dian)機相較于(yu)于(yu)傳統藝術有刷電(dian)(dian)機,享有比(bi)較高的(de)(de)成功率(lv)和更長(chang)的(de)(de)利用年限,MH092D3RD將代位繼承了(le)等(deng)等(deng)長(chang)處,提拱市場(chang)大的(de)(de)的(de)(de)錯誤(wu)率(lv)主要表現。
可靠性產(chan)品品質(zhi):臺達電機的產(chan)品以(yi)可靠性(xing)的服務(wu)質量(liang)出名,MH092D3RD應該經(jing)由要嚴格的線質量(liang)調(diao)整和測試英文,確認在多種應用領域景(jing)象下都(dou)能維(wei)持(chi)程(cheng)序運行。
全(quan)新(xin)技術應(ying)用:臺(tai)達(da)專(zhuan)業創新技術是(shi)服(fu)務創新技術,MH092D3RD很有可(ke)能推(tui)向(xiang)了多種的工藝工作成(cheng)效(xiao),如發達(da)的有效(xiao)控制計(ji)算(suan)方法、推(tui)廣的成(cheng)分構思等,以不(bu)斷提升啟動(dong)馬(ma)達(da)的效(xiao)能和靠得住性。
西安市立維創展技術非常有限機構以DELTA粉絲很大期貨庫存盤(pan)點為(wei)(wei)獨具特色,以強勢(shi)的(de)市場價(jia)格為(wei)(wei)的(de)客戶帶來了(le)服務管理,認可咨訊。
Model No. | Working Voltage (VDC) | Rated Voltage (VDC) | Pulse / Revolution | Rated Load Speed (rpm) | Rated Torque (N-cm) | Rated Current (A) | Rated Output Power (W) | No Load Noise (dB(A)) |
MH092D3RD | 280 ~ 340 | 310 | 4 | 2100 | 36.4 | 0.370 | 80 | < 50 |
上一篇: ?為何DELTA臺達風扇備受認可?
下一篇: ?SUNON建準直流風扇