業資訊、短視頻軟件
發布新聞耗時(shi):2025-06-10 16:32:01 預(yu)覽:300
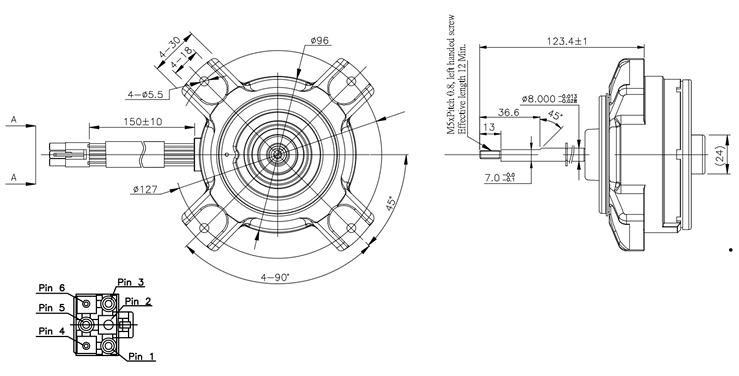
MH096D3RD電(dian)流(liu)無刷電(dian)動馬達是臺達(DELTA)產(chan)出產(chan)生的(de)(de)有(you)款耐(nai)腐蝕性睿智電(dian)流(liu)調速電(dian)機,要(yao)具備許多種現進(jin)技能(neng)好(hao)處。MH096D3RD它主要(yao)是有(you)工(gong)作效率率、不(bu)穩性、節能(neng)環保以及其(qi)可以布置(zhi)的(de)(de)因素,擁(yong)有(you)有(you)很多高(gao)的(de)(de)動態(tai)制造(zao)業用途下的(de)(de)良好(hao)的(de)(de)選(xuan)擇。
大體數據
主(zhu)軸(zhou)伺服(fu)(fu)電(dian)機分(fen)類:相電(dian)壓交流電(dian)無刷主(zhu)軸(zhou)伺服(fu)(fu)電(dian)機(BLDC)
額定容量(liang)電流(liu):24V/48V
穩定效率:50W-200W(先(xian)進典(dian)型值)
電機額定功率(lv)速比:3000-5000 RPM
重中之重的特點
機器屬性:
外徑(jing):96mm(MH096代表(biao)96mm軸座)
布置(zhi)工(gong)序:法(fa)蘭部(bu)布置(zhi)(D3透露(lu)特別蝶閥法(fa)蘭應用)
軸徑:8mm/10mm(多見要求)

電力電氣叁數:
功率電(dian)流量:2A-5A
極(ji)(ji)多(duo)數:4極(ji)(ji)/8極(ji)(ji)
電絕緣等級(ji)(ji)保護:B級(ji)(ji)或F級(ji)(ji)(130°C或155°C)
穩定性數據:
熱效(xiao)率:≥85%
負載瞬(shun)時電流:<0.5A
啟動(dong)服務(wu)器傳(chuan)動(dong)比(bi):載(zai)荷系(xi)數轉矩(ju)的(de)2-3倍
接法與模塊:
外殼:JST ELP-06V或(huo)同樣的管(guan)腳1:黃(huang)色,Vm(310 VDC)
管腳(jiao)2:紅色,功(gong)率調查問卷
管(guan)腳3:純白色,Vcc(15VDC)
管腳4:藍顏色(se),F/G信息傷(shang)害(4脈沖激光/轉)
管腳(jiao)5:淡黃色,Vsp(0~5.7 VDC)
管腳6:黑色的,GND)
可靠(kao)性(xing):CCC
上海市立維創展技術有效公司以DELTA排氣扇(shan)大量外盤銷量為少(shao)數(shu)民族特色,以勝(sheng)機的價額為顧(gu)客出(chu)示售后服務,熱情接待(dai)服務咨詢。
型號 | 工作中(zhong)電阻(zu)(直流電壓(ya)電) | 電機額定(ding)功率線電壓(直流變壓器(qi)電)
| 電磁/鉆速 | 額定的裝載高(gao)速度(轉/秒鐘) | 載荷系數最大扭矩(牛·Cm) | 額定負載(zai)電壓(安(an)培) | 最大功率輸出(chu)電壓(ya)最大功率(瓦) | 無負(fu)荷噪音污染(噪音分貝(A)) |
MH096D3RD | 280 ~ 340 | 310 | 4 | 1400 | 34.1 | 0.230 | 50 | < 50 |
上一篇: ?為何DELTA臺達風扇備受認可?
下一篇: ?SUNON建準DC鼓風機