中文翻譯
LA302 Z–10GHz差分限制放大器
LA302 Z–10GHz差分限制放大器繞城高速數據顯示通迅16針金屬QFN打包封裝采樣系統率:限幅放小器設置下行帶寬:10 GHzSFDR:
LA310Z–8.3 GHz差分限制放大器
LA310Z–8.3 GHz差分上限放小器抽樣率:限幅縮放器輸進上行速率:10 GHzSFDR:
10 Gbps跨阻放大器 TA205C
10 Gbps跨阻變成器 TA205C職能:10 Gbps跨阻變小器(5V)
LD162D? 差分激光二極管驅動器
OC-192/STM-64/10GbELD162DZ\U_G0 差分激光器電子元器件大家庭中的一員-二極管驅動下載器32針QFN芯片封裝用途:差分TOSA安裝變頻器(5V)
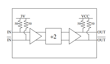
14GHz Divide-by-2 DV002
14GHz Divide-by-2 DV002分頻比:2掛鐘頻繁:14 GHz特征英文:低充電電流
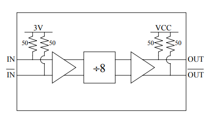
14GHz Divide-by-8 DV008
14GHz Divide-by-8 DV008分頻比:8秒表頻率:14 GHz特征:低電量
特征:低電量
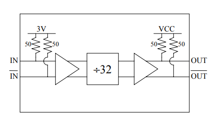
14GHz Divide-by-32 DV032
14GHz Divide-by-32 DV032分頻比:32鬧鐘幾率:14 GHz表現形式:低電池壽命
12GHz Dual-Modulus Divide-by-4/5 DV45D
12GHz Dual-Modulus Divide-by-4/5 DV45D分頻比:4/5掛鐘平率:12 GHz功能:雙模量4/5
10GHz Programmable Divide-by-2 to 31 DV31P
10GHz Programmable Divide-by-2 to 31 DV31P分頻比:2?31數字時鐘頻繁 :10 GHz特征英文:可程序語言法向齒2?31
8GHz Programmable Divide-by-128 to 255 DV255N
8GHz Programmable Divide-by-128 to 255 DV255N分頻比:128?255掛鐘規律:8 GHz優點:可代碼法向齒128?255
共2頁40條數據