欧洲一区二区-欧美激情一区二区-国产激情在线-欧美在线一区二区

ADI ADI
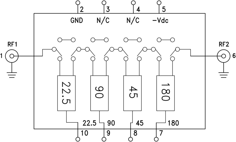
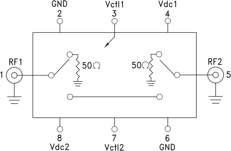
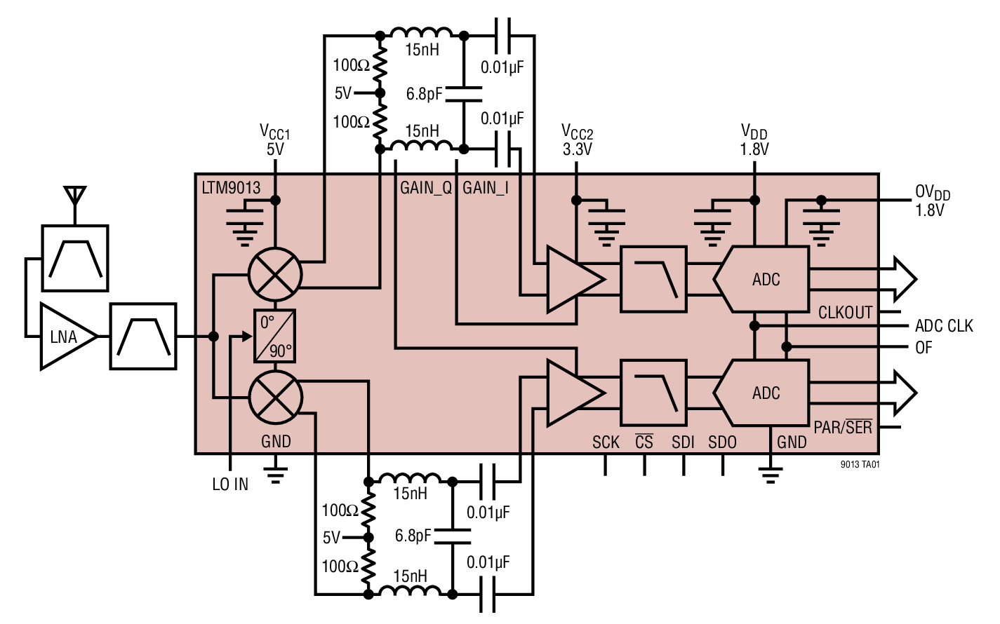
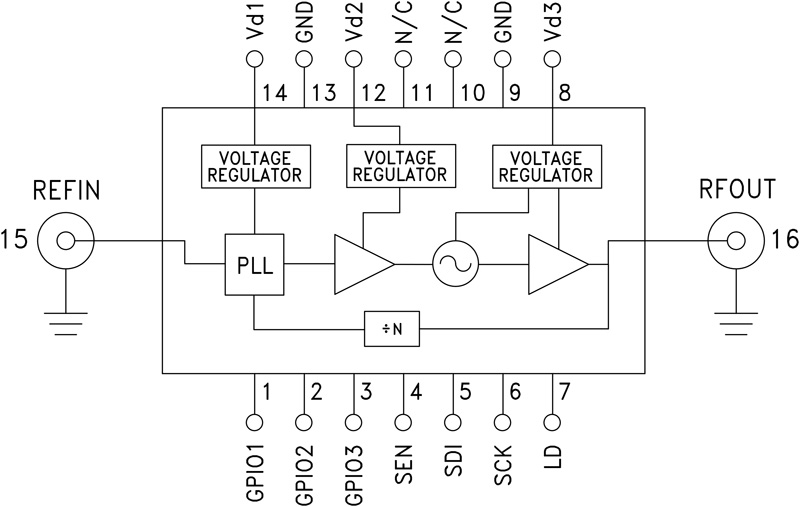
ADI司是仿真IC集合控制電路芯片、分層數據訊號和數字6化數據訊號外理工藝方向上的地球先進的廠家,ADI是高耐熱性仿真IC集合控制電路芯片、分層數據訊號外理器和數字6化數據訊號研究分析外理(DSP)和集合控制電路(IC)設汁、出產加工制造和物品營銷策略方位發生地球先進的水平的公司企業,ADI物品相關到基本上每個的的類型的電子技術技術互聯網這個行業與電氣新貨品互聯網這個行業設施,ADI物品廣泛應用于飛防核工業、工業、氣車、光纖通信和使用電子技術技術市揚。20110年ADI收構Hittite微波通信與亳米波物品線。東莞市立維創展信息技術是ADI微波微波射頻微波射頻微波微波射頻的生產商商。ADI基帶芯片護膚品供應商:調大器、平滑護膚品、動態數據轉移器、音頻視頻圖片護膚品、帶寬護膚品、秒表和定期IC、光釬寬帶和光釬寬帶通信設備護膚品、接口方式和隔、MEMS和感測器器、電和熱經管、防范器和DSP、微波微波射頻微波射頻和圖表防范器、啟閉和分路器等。大地方車輛,均供應現貨平臺交易量供應。*部位技術參數需申報產品出口批準