欧洲一区二区-欧美激情一区二区-国产激情在线-欧美在线一区二区
感謝來珠海市市立維創展科學比較有限介紹公司網址!
中文名字
24H貼心服務咨詢熱線 0755-83050846 / 83039348
搜索
欧洲一区二区-欧美激情一区二区-国产激情在线-欧美在线一区二区
Home
關于我們
About
微波元器件
Microwave
AMCOM
CUSTOM MMIC
RF-LAMBDA
QORVO
MACOM
SOUTHWEST
NOVA射頻微波
KRYTAR
Aeroflex-API Tech
Anaren
Anritsu
RADITEK
North Hills
Synergy微波
WENTEQ
MITEQ
Marki
RF-Labs
ADI
CREE
UMS微波
PULSAR微波
MegaPhase
JDSU光纖測試
AMG-Microwave
Ironwood
Teledyne防務電子
HEROTEK
ARRA
MCLI
Leadway
CERNEX
Mi-Wave
ATM Microwave(L-3)
UTE Microwave
NEL Frequency Controls
API SAW Oscillators
SemiGen
KR Electronics
MECA
Electro-Photonics
RLC Electronics
JUPITER(Canada)
?IPP
電源模塊
Power
PICO
Cyntec乾坤
GAIA
VICOR
LINEAR
ARCH
SynQor
TOREX
SILERGY矽力杰
DELTA
XP power
DAC | ADC芯片
DAC|ADC
EUVIS
ADI
Teledyne E2V
微處理器
MCU
PADAUK應廣單片機
中科昊芯DSP
先楫MCU
雅特力MCU
Intel-ALTERA FPGA
澎湃微
風扇
Fan
DELTA臺達風扇
SUNON建準風扇
熱縮管
Heat Shrink Tubing
Raychem
自研產品
Leadway Prodcuts
LEADWAY電源模塊
LEADWAY微波產品
聯系我們
Contact
紅外光元配件
欧洲一区二区-欧美激情一区二区-国产激情在线-欧美在线一区二区
微波元器件
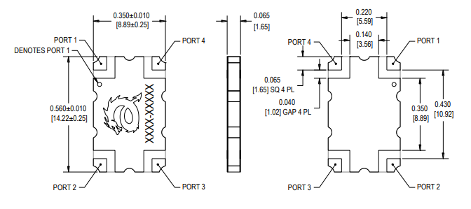
Q3XG-1088R
Q3XG-1088R
關鍵數據
Q3XG-1088R 寬帶混合耦(ou)合器(qi)
頻繁:960-1215兆赫最大功率:175瓦放入衰減:0.12 dB隔離度:26聲音頻率駐波比:1.15定貨壽命:6-8周
品牌:Electro-Photonics
服務詳細信息詳細介紹
Features
960 – 1215 MHz
Low Loss
High Isolation
Tight Amplitude Balance
90 deg Quadrature
Surface Mountable
CTE Matched
ARNS Band
Tape and Reel Option
Specifications
Size: .560 x .350 inches
Frequency: 960-1215 MHz
Power: 175 W
Insertion Loss: .12 dB
Amplitude Balance: ± .2
Isolation: 26 dB
VSWR: 1.15
Phase Balance: ± 2