欧洲一区二区-欧美激情一区二区-国产激情在线-欧美在线一区二区

Q3XG-1500R 寬帶混合耦合器
Q3XG-1500R 寬帶混合耦合器
關鍵性因素

Q3XG-1500R 寬帶網攪拌耦合電(dian)路器的頻率:1000-2000兆赫工作電(dian)壓:85瓦插入表格損耗率:0.18 dB要進行隔離度(du):23分貝(bei)駐(zhu)波比(bi):1.18進貨頻次:6-8周

品牌:Electro-Photonics

新產品內容簡單介紹

Features

  • 1000 – 2000 MHz
  • Low Loss
  • High Isolation
  • Tight Amplitude Balance
  • 90 deg Quadrature
  • Surface Mountable
  • CTE Matched
  • L-Band
  • Tape and Reel Option

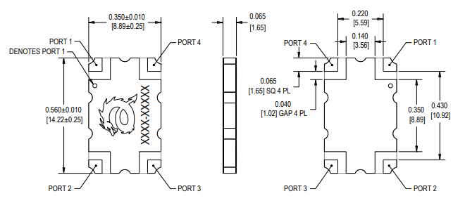
Specifications

  • Size: .560 x .350 inches
  • Frequency: 1000-2000 MHz
  • Power: 85 W
  • Insertion Loss: .18 dB
  • Amplitude Balance: ± .55
  • Isolation: 24 dB
  • VSWR: 1.18
  • Phase Balance: ± 3

image.png