欧洲一区二区-欧美激情一区二区-国产激情在线-欧美在线一区二区
歡迎圖片來成都 市立維創展創新科技有限裝修公司英文裝修公司官方論壇網站平臺!
中文名
24H貼心服務電話 0755-83050846 / 83039348
搜索
欧洲一区二区-欧美激情一区二区-国产激情在线-欧美在线一区二区
Home
關于我們
About
微波元器件
Microwave
AMCOM
CUSTOM MMIC
RF-LAMBDA
QORVO
MACOM
SOUTHWEST
NOVA射頻微波
KRYTAR
Aeroflex-API Tech
Anaren
Anritsu
RADITEK
North Hills
Synergy微波
WENTEQ
MITEQ
Marki
RF-Labs
ADI
CREE
UMS微波
PULSAR微波
MegaPhase
JDSU光纖測試
AMG-Microwave
Ironwood
Teledyne防務電子
HEROTEK
ARRA
MCLI
Leadway
CERNEX
Mi-Wave
ATM Microwave(L-3)
UTE Microwave
NEL Frequency Controls
API SAW Oscillators
SemiGen
KR Electronics
MECA
Electro-Photonics
RLC Electronics
JUPITER(Canada)
?IPP
電源模塊
Power
PICO
Cyntec乾坤
GAIA
VICOR
LINEAR
ARCH
SynQor
TOREX
SILERGY矽力杰
DELTA
XP power
DAC | ADC芯片
DAC|ADC
EUVIS
ADI
Teledyne E2V
微處理器
MCU
PADAUK應廣單片機
中科昊芯DSP
先楫MCU
雅特力MCU
Intel-ALTERA FPGA
澎湃微
風扇
Fan
DELTA臺達風扇
SUNON建準風扇
熱縮管
Heat Shrink Tubing
Raychem
自研產品
Leadway Prodcuts
LEADWAY電源模塊
LEADWAY微波產品
聯系我們
Contact
微波射頻元電子電子元件
欧洲一区二区-欧美激情一区二区-国产激情在线-欧美在线一区二区
微波元器件
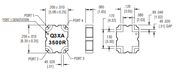
?Q3XA-3500R寬帶混合耦合器
?Q3XA-3500R寬帶混合耦合器
關鍵性因素
Q3XA-3500R寬(kuan)帶混合(he)耦合(he)器
工作頻率:3200-3800兆赫馬力:20瓦放入損失:0.22 dB丟開度:23分貝駐波比:1.20進貨的周期:6-8周
品牌:Electro-Photonics
食品淘寶手機端介紹
Features
3200 – 3800 MHz
Low Loss
High Isolation
Tight Amplitude Balance
90 deg Quadrature
Surface Mountable
CTE Matched
WiMax, WiBro, LTE Band
Tape and Reel Option
Specifications
Size: .250 x .200 inches
Frequency: 3200-3800 MHz
Power: 20 W
Insertion Loss: .22 dB
Amplitude Balance: ± .2
Isolation: 24 dB
VSWR: 1.20
Phase Balance: ± 3