欧洲一区二区-欧美激情一区二区-国产激情在线-欧美在线一区二区
認可來上海市立維創展科技發展局限企業公司平臺!
漢語
24H保障電話 0755-83050846 / 83039348
搜索
欧洲一区二区-欧美激情一区二区-国产激情在线-欧美在线一区二区
Home
關于我們
About
微波元器件
Microwave
AMCOM
CUSTOM MMIC
RF-LAMBDA
QORVO
MACOM
SOUTHWEST
NOVA射頻微波
KRYTAR
Aeroflex-API Tech
Anaren
Anritsu
RADITEK
North Hills
Synergy微波
WENTEQ
MITEQ
Marki
RF-Labs
ADI
CREE
UMS微波
PULSAR微波
MegaPhase
JDSU光纖測試
AMG-Microwave
Ironwood
Teledyne防務電子
HEROTEK
ARRA
MCLI
Leadway
CERNEX
Mi-Wave
ATM Microwave(L-3)
UTE Microwave
NEL Frequency Controls
API SAW Oscillators
SemiGen
KR Electronics
MECA
Electro-Photonics
RLC Electronics
JUPITER(Canada)
?IPP
電源模塊
Power
PICO
Cyntec乾坤
GAIA
VICOR
LINEAR
ARCH
SynQor
TOREX
SILERGY矽力杰
DELTA
XP power
DAC | ADC芯片
DAC|ADC
EUVIS
ADI
Teledyne E2V
微處理器
MCU
PADAUK應廣單片機
中科昊芯DSP
先楫MCU
雅特力MCU
Intel-ALTERA FPGA
澎湃微
風扇
Fan
DELTA臺達風扇
SUNON建準風扇
熱縮管
Heat Shrink Tubing
Raychem
自研產品
Leadway Prodcuts
LEADWAY電源模塊
LEADWAY微波產品
聯系我們
Contact
微波加熱元集成電路芯片
欧洲一区二区-欧美激情一区二区-国产激情在线-欧美在线一区二区
微波元器件
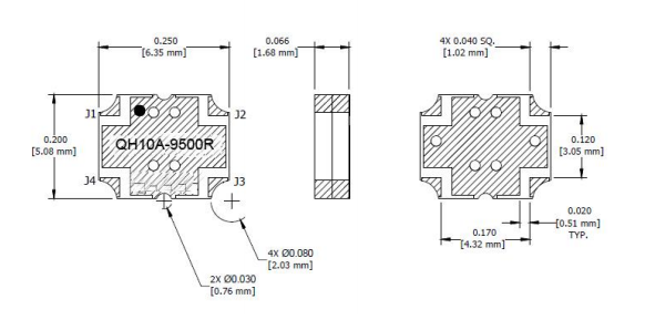
?Q10HA-9500R定向耦合器
?Q10HA-9500R定向耦合器
必要規格
Q10HA-9500R定向耦合器
頻次:7 – 12 GHz交叉耦合:12噪音分貝±1.25噪音分貝方向上性:1四分貝駐波比:1.4:1插入圖自然損耗:0.5dB瓦數:20瓦測試板722-0006-01-E01進貨周期性:6-8周
品牌:Electro-Photonics
車輛信息介紹書
7000-12000 MHz Directional Coupler
The Q10HA-9500R is a broadband,bidirectional coupler with high directivity and high power handling.
Specifications
Size: 0.250 x 0.200 inches
Frequency: 7 – 12 GHz
Coupling: 12 dB ± 1.25 dB
Directivity: 14 dB
VSWR: 1.4:1
Insertion Loss: 0.5 dB
Power: 20 W
Evaluation board 722-0006-01-E01