欧洲一区二区-欧美激情一区二区-国产激情在线-欧美在线一区二区
歡迎語來上海市立維創展自動化有限制的新公司官網網絡!
繁體中文
24H保障電活 0755-83050846 / 83039348
搜索
欧洲一区二区-欧美激情一区二区-国产激情在线-欧美在线一区二区
Home
關于我們
About
微波元器件
Microwave
AMCOM
CUSTOM MMIC
RF-LAMBDA
QORVO
MACOM
SOUTHWEST
NOVA射頻微波
KRYTAR
Aeroflex-API Tech
Anaren
Anritsu
RADITEK
North Hills
Synergy微波
WENTEQ
MITEQ
Marki
RF-Labs
ADI
CREE
UMS微波
PULSAR微波
MegaPhase
JDSU光纖測試
AMG-Microwave
Ironwood
Teledyne防務電子
HEROTEK
ARRA
MCLI
Leadway
CERNEX
Mi-Wave
ATM Microwave(L-3)
UTE Microwave
NEL Frequency Controls
API SAW Oscillators
SemiGen
KR Electronics
MECA
Electro-Photonics
RLC Electronics
JUPITER(Canada)
?IPP
電源模塊
Power
PICO
Cyntec乾坤
GAIA
VICOR
LINEAR
ARCH
SynQor
TOREX
SILERGY矽力杰
DELTA
XP power
DAC | ADC芯片
DAC|ADC
EUVIS
ADI
Teledyne E2V
微處理器
MCU
PADAUK應廣單片機
中科昊芯DSP
先楫MCU
雅特力MCU
Intel-ALTERA FPGA
澎湃微
風扇
Fan
DELTA臺達風扇
SUNON建準風扇
熱縮管
Heat Shrink Tubing
Raychem
自研產品
Leadway Prodcuts
LEADWAY電源模塊
LEADWAY微波產品
聯系我們
Contact
徽波元元器
欧洲一区二区-欧美激情一区二区-国产激情在线-欧美在线一区二区
微波元器件
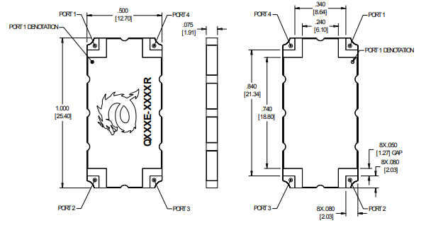
?Q30HE-900R定向耦合器
?Q30HE-900R定向耦合器
更重要性能指標
Q30HE-900R定向(xiang)耦合器
平率:0.7 – 1.2 GHz合體:30.兩分貝±五分貝藕合平滑度:±0.3dB朝向性:18聲音頻率駐波比:1.10:1添加耗費:0.1dB功效:355瓦評價指標板722-0006-05-E01定購期限:6-8周
品牌:Electro-Photonics
服務寶貝詳細說明一下
700-1200 MHz Directional Coupler
The Q30HE-900R is a broadband, bi-directional coupler with high directivity and high power handling. It is suitable for LTE mobile broadband, UHF television, GSM, and more…
Specifications
Size: 1.00 x 0.50 inches
Frequency: 0.7 – 1.2 GHz
Coupling: 30.5 dB ± 1 dB
Coupling Flatness: ± 0.3 dB
Directivity: 18 dB
VSWR: 1.10:1
Insertion Loss: 0.1 dB
Power: 355 W
Evaluation board 722-0006-05-E01