欧洲一区二区-欧美激情一区二区-国产激情在线-欧美在线一区二区
歡迎辭來佛山市立維創展科技創新現有公司的官網手機企業網站!
2英文
24H服務于電話 0755-83050846 / 83039348
搜索
欧洲一区二区-欧美激情一区二区-国产激情在线-欧美在线一区二区
Home
關于我們
About
微波元器件
Microwave
AMCOM
CUSTOM MMIC
RF-LAMBDA
QORVO
MACOM
SOUTHWEST
NOVA射頻微波
KRYTAR
Aeroflex-API Tech
Anaren
Anritsu
RADITEK
North Hills
Synergy微波
WENTEQ
MITEQ
Marki
RF-Labs
ADI
CREE
UMS微波
PULSAR微波
MegaPhase
JDSU光纖測試
AMG-Microwave
Ironwood
Teledyne防務電子
HEROTEK
ARRA
MCLI
Leadway
CERNEX
Mi-Wave
ATM Microwave(L-3)
UTE Microwave
NEL Frequency Controls
API SAW Oscillators
SemiGen
KR Electronics
MECA
Electro-Photonics
RLC Electronics
JUPITER(Canada)
?IPP
電源模塊
Power
PICO
Cyntec乾坤
GAIA
VICOR
LINEAR
ARCH
SynQor
TOREX
SILERGY矽力杰
DELTA
XP power
DAC | ADC芯片
DAC|ADC
EUVIS
ADI
Teledyne E2V
微處理器
MCU
PADAUK應廣單片機
中科昊芯DSP
先楫MCU
雅特力MCU
Intel-ALTERA FPGA
澎湃微
風扇
Fan
DELTA臺達風扇
SUNON建準風扇
熱縮管
Heat Shrink Tubing
Raychem
自研產品
Leadway Prodcuts
LEADWAY電源模塊
LEADWAY微波產品
聯系我們
Contact
微波通信元電子電子原件
欧洲一区二区-欧美激情一区二区-国产激情在线-欧美在线一区二区
微波元器件
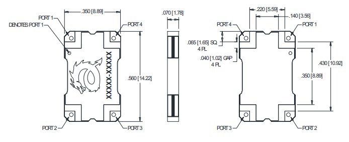
?Q20HGA-1090R定向耦合器
?Q20HGA-1090R定向耦合器
主要性能指標
Q20HGA-1090R定向耦合器
速度:960 – 1220 MHz藕合:20音貝±0.75音貝朝向性:很小 20 dB駐波比:1.15:1導入損耗費:0.15dB效率:200瓦分析評估板722-0006-03-E01進貨時期:6-8周
品牌:Electro-Photonics
的產品淘寶手機端的介紹
960-1220 MHz Directional Coupler
The Q20HGA-1090R is a broadband, bi-directional coupler with high power handling. It is suitable for AWS, DCS, PCS, UMTS, CDMA , IMT and more…
Specifications
Size: .560 X .350 inches
Frequency: 960 – 1220 MHz
Coupling: 20 dB ± 0.75 dB
Directivity: 20 dB min
VSWR: 1.15:1
Insertion Loss: 0.15 dB
Power: 200 W
Evaluation board 722-0006-03-E01