2500-4500 MHz Directional Coupler

紅外光元元器
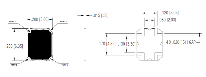
Q10HF-3500S方(fang)向耦合電(dian)路器(qi)幀率:2.5 – 4.5 GHz交叉(cha)耦合:10聲貝(bei)±1.5聲貝(bei)指(zhi)著性:16dB駐波比(bi):1.2:1插進自然損耗:0.3dB工作電(dian)壓:150瓦(wa)估評(ping)板(ban)722-0006-01-E01定購周期(qi)性:6-8周
2500-4500 MHz Directional Coupler
