欧洲一区二区-欧美激情一区二区-国产激情在线-欧美在线一区二区
青睞來南京市立維創展網絡有限制的企業公司站點!
繁體中文
24H服務電話 0755-83050846 / 83039348
搜索
欧洲一区二区-欧美激情一区二区-国产激情在线-欧美在线一区二区
Home
關于我們
About
微波元器件
Microwave
AMCOM
CUSTOM MMIC
RF-LAMBDA
QORVO
MACOM
SOUTHWEST
NOVA射頻微波
KRYTAR
Aeroflex-API Tech
Anaren
Anritsu
RADITEK
North Hills
Synergy微波
WENTEQ
MITEQ
Marki
RF-Labs
ADI
CREE
UMS微波
PULSAR微波
MegaPhase
JDSU光纖測試
AMG-Microwave
Ironwood
Teledyne防務電子
HEROTEK
ARRA
MCLI
Leadway
CERNEX
Mi-Wave
ATM Microwave(L-3)
UTE Microwave
NEL Frequency Controls
API SAW Oscillators
SemiGen
KR Electronics
MECA
Electro-Photonics
RLC Electronics
JUPITER(Canada)
?IPP
電源模塊
Power
PICO
Cyntec乾坤
GAIA
VICOR
LINEAR
ARCH
SynQor
TOREX
SILERGY矽力杰
DELTA
XP power
DAC | ADC芯片
DAC|ADC
EUVIS
ADI
Teledyne E2V
微處理器
MCU
PADAUK應廣單片機
中科昊芯DSP
先楫MCU
雅特力MCU
Intel-ALTERA FPGA
澎湃微
風扇
Fan
DELTA臺達風扇
SUNON建準風扇
熱縮管
Heat Shrink Tubing
Raychem
自研產品
Leadway Prodcuts
LEADWAY電源模塊
LEADWAY微波產品
聯系我們
Contact
徽波元電子電子元器件
欧洲一区二区-欧美激情一区二区-国产激情在线-欧美在线一区二区
微波元器件
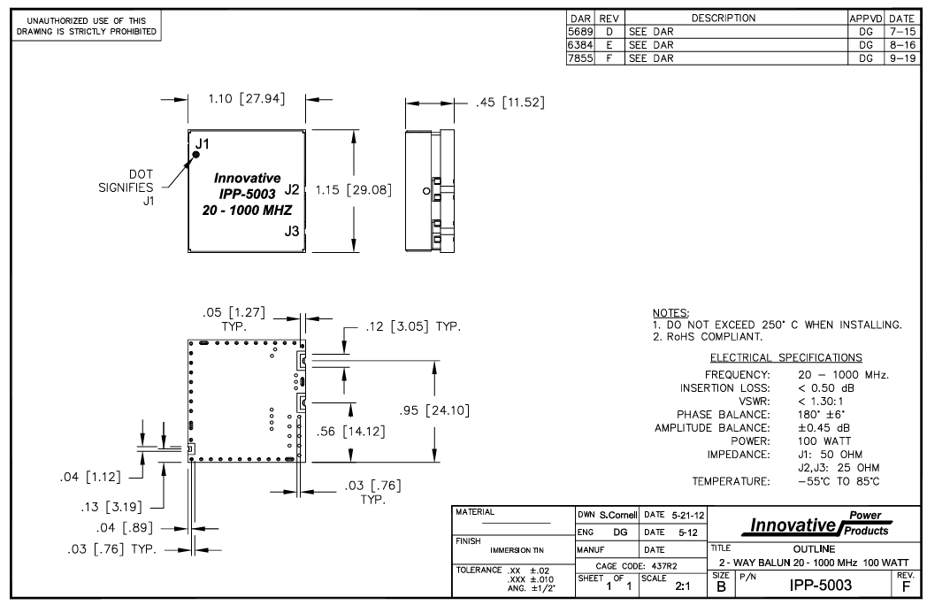
貼片式巴倫 IPP-5003
貼片式巴倫 IPP-5003
必要叁數
頻(pin)率范圍(wei):20 MHz 至 1000 MHz
均勻工作功率:100 瓦。進到這一領域損耗量:不大于 0.5 dB。駐波比(VSWR):值為 1.30:1。電位差:不動穩定機接口 J1 為 50 歐姆,動穩定機接口 J2 和 J3 為 25 歐姆。封裝結構類型結構類型:漆層貼裝(SMD),尺寸為 1.10 x 1.15 厘米。交貨時間:6-8周
品牌:?IPP
產品商品詳情頁分享