欧洲一区二区-欧美激情一区二区-国产激情在线-欧美在线一区二区
誠邀來杭州市立維創展科持有現工廠中國官方官網官網!
簡體中文
24H安全服務電活 0755-83050846 / 83039348
搜索
欧洲一区二区-欧美激情一区二区-国产激情在线-欧美在线一区二区
Home
關于我們
About
微波元器件
Microwave
AMCOM
CUSTOM MMIC
RF-LAMBDA
QORVO
MACOM
SOUTHWEST
NOVA射頻微波
KRYTAR
Aeroflex-API Tech
Anaren
Anritsu
RADITEK
North Hills
Synergy微波
WENTEQ
MITEQ
Marki
RF-Labs
ADI
CREE
UMS微波
PULSAR微波
MegaPhase
JDSU光纖測試
AMG-Microwave
Ironwood
Teledyne防務電子
HEROTEK
ARRA
MCLI
Leadway
CERNEX
Mi-Wave
ATM Microwave(L-3)
UTE Microwave
NEL Frequency Controls
API SAW Oscillators
SemiGen
KR Electronics
MECA
Electro-Photonics
RLC Electronics
JUPITER(Canada)
?IPP
電源模塊
Power
PICO
Cyntec乾坤
GAIA
VICOR
LINEAR
ARCH
SynQor
TOREX
SILERGY矽力杰
DELTA
XP power
DAC | ADC芯片
DAC|ADC
EUVIS
ADI
Teledyne E2V
微處理器
MCU
PADAUK應廣單片機
中科昊芯DSP
先楫MCU
雅特力MCU
Intel-ALTERA FPGA
澎湃微
風扇
Fan
DELTA臺達風扇
SUNON建準風扇
熱縮管
Heat Shrink Tubing
Raychem
自研產品
Leadway Prodcuts
LEADWAY電源模塊
LEADWAY微波產品
聯系我們
Contact
微波通信元功率器件
欧洲一区二区-欧美激情一区二区-国产激情在线-欧美在线一区二区
微波元器件
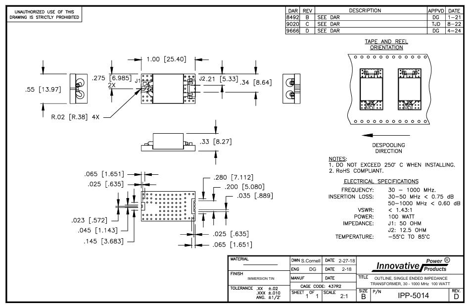
阻抗變壓器 IPP-5014
阻抗變壓器 IPP-5014
至關重要叁數
頻(pin)率范圍:30 MHz 至 1000 MHz
輸出阻抗放大比:4:1電阻值:100瓦月均熱效率:100瓦嵌入耗損率:30 MHz 至 50 MHz:< 0.75 dB。50 MHz 至 1000 MHz:< 0.60 dB駐波比(VSWR):小于等于 1.45:1。封裝主要形式:貼片式(SMD),寬度為1.10 x 0.55屏幕尺寸。交貨時間:6-8周
品牌:?IPP
設備詳細情況簡單介紹