欧洲一区二区-欧美激情一区二区-国产激情在线-欧美在线一区二区

AM012020WM-EM-R L波段寬帶功率放大器
AM012020WM-EM-R L波段寬帶功率放大器
重要性技術參數

頻率:0.1-2GHz

增益(yi)值:30

P1dB(DBM)16

PSAT(DBM)17

的效率8

VD(V)8


品牌:AMCOM

服務信息價紹

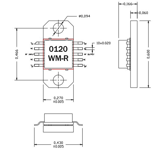
AM012020WM-BM/EM/FM-R也是種寬帶網絡低背景噪音分貝電機功率放縮器。它的背景噪音分貝公式為2dB,增益值為30dB,在0.1到2GHz的網絡帶寬上模擬輸出瓦數為17dBm。該MMIC一個衛浴陶瓷封裝,頻射和整流引線就有封裝的較低檔次,以供于低代價的SMT按裝到PC板上。考慮到高交流電額定功率,企業很強意見建議將以上設施設備馬上裝有在復合水冷片上。當馬上裝有在PCB上時,請運行廣泛應用注腳AN700詢問恰當的布置系統軟件。AM012020WM-FM-R是連接在電鍍金銅卡箍底托上的AM012020WM-BM-R。EM封裝類型與FM打包封裝具備有一致的占地賠償占用面積,用到直接地線和銅/鎢活套蝶閥法蘭部取代銅活套蝶閥法蘭部。活套蝶閥法蘭部上帶的兩個螺孔,用于擰到不銹鋼風扇風扇散熱上。這家MMIC是適合RoHS的。

的特征(zheng)

移動寬帶0.1至2GHz

低噪音(yin)污染耐熱性

呈現(xian)飽和狀態打印輸(shu)出工率20dBm

高增加收益(yi),30dB

全部篩選;50歐姆復(fu)制(zhi)粘貼/傷害(hai)抗阻(zu)

采用

電子儀表

細胞系帶

橫向無線wifi電

寬帶網發(fa)送(song)器

C股(gu)票(piao)波段VSAT