欧洲一区二区-欧美激情一区二区-国产激情在线-欧美在线一区二区

AM132740MM-EM-R L/S波段寬帶功率放大器
AM132740MM-EM-R L/S波段寬帶功率放大器
非常重要參數值

頻率:1.3-2.7GHz

增益值(zhi)26

P1dB(DBM):38

PSAT(DBM)39

有(you)效率(lv)30

VD(V)14

品牌:AMCOM

好產品淘寶手機端解紹

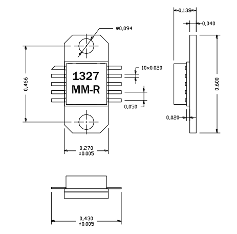
AM132740MM-BM/EM/FM-R是砷化鎵HiFET MMIC瓦數縮放器類別的十環節。它一個2級GaAs-HIFET-MESFET-MMIC馬力放縮器,事業相電壓14V,輸入和級間適配網路涵蓋1.3~2.7GHz。MMIC輸出精度必須要位置內部連接以所覆蓋1.3GHz到2.7GHz。它的增加收益為26dB,14V時打印輸出功效為38dBm。該MMIC用于衛浴陶瓷封裝形式,在較低的封裝形式境界中有RF和DC好幾條引線,方能于將高收益價的SMT組裝流水線到PC板上。當隨便進行安裝到彩色印刷電源PCB線路板上時,請參閱應該用證明AN700。在高直流電壓工作電壓,人們激動小編建議將一些系統簡單裝配在合金金屬蒸發器片上。AM132740MM-FM-R是裝置在電鍍銅活套法蘭支架上的AM132740MM-BM-R。EM封裝與FM打包封裝兼具相同之處的征地賠償規模,利用直高壓導線和銅/鎢卡箍盤片用于銅卡箍盤片。卡箍盤片上帶有的兩個螺孔,容易擰到復合熱管熱管散熱器上。這是MMIC是不符合RoHS的。

共同點

幀率使(shi)用時(shi)間范圍:1.3至2.7GHz

高輸(shu)出工作(zuo)電壓,P1dB=38dBm

高收獲>22dB

從1.3GHz到2.7GHz匹(pi)配好的進入(ru)

根據校準所(suo)在搭配,是可(ke)以包裹一小部分1.3GHz到2.7GHz頻(pin)段

操作

PCS移動(dong)基站

GPSAPP

MMDS

有線局域網(wang)絡中(zhong)繼器(qi)

14V使用