欧洲一区二区-欧美激情一区二区-国产激情在线-欧美在线一区二区

AM142540MM-EM-R L波段寬帶功率放大器
AM142540MM-EM-R L波段寬帶功率放大器
重要的技術參數

頻率:1.4-1.8GHz

增益控制(zhi)25

P1dB(DBM):39

PSAT(DBM):40

率(lv)35

VD(V)14


品牌:AMCOM

物品淘寶手機端說

AM142540MM-BM/FM-R是砷化鎵HiFET MMIC瓦數擴大器系列作品的一部位分。它也是個2級GaAs-MESFET電機功率變小器,偏置在14V,復制粘貼和級間自動匹配網咯重疊1.4~2.5GHz。MMIC所在須要與您感想象力的1.4GHz到2.5GHz區間內的部位表面識別,以帶來了非常大的帶寬使用輕松性。內容輸出識別可以構思為涵蓋1.4到2.5GHz頻帶寬度內的其中400MHz資源帶寬。是的典例,這之中的能用的評估報告格式板在14V時在1.4到1.8GHz頻率段上具備著大于25dB的增益控制、10瓦(40dBm)的呈現飽和狀態輸出精度最大功率,另外個評價指標板在2.1到2.5GHz時在12V時領取23dB的增益值和37dBm的傳輸輸出。

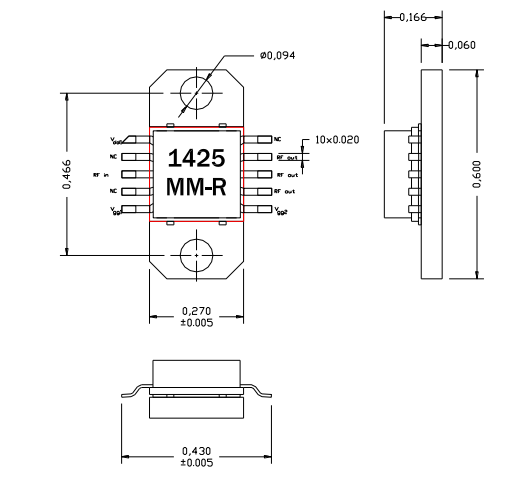
該(gai)MMIC就是(shi)一個(ge)瓷器(qi)(qi)封(feng)口,微(wei)波射頻和(he)直流(liu)變(bian)壓器(qi)(qi)引線都是(shi)在(zai)(zai)封(feng)口的(de)較低各層次(ci),以供于降低成本預算的(de)SMT裝(zhuang)配到PC板上(shang)(shang)(shang)。當(dang)會(hui)按裝(zhuang)到設計(ji)印刷印刷電路板板上(shang)(shang)(shang)時,請參閱(yue)APP代(dai)表AN700。因此高直流(liu)電功率(lv),我(wo)們(men)大家劇烈最好是(shi)將以下裝(zhuang)置(zhi)同(tong)(tong)時裝(zhuang)在(zai)(zai)金屬(shu)質水(shui)冷(leng)片(pian)上(shang)(shang)(shang)。AM142540MM-FM-R是(shi)配置(zhi)在(zai)(zai)電鍍銅活套法蘭支撐架上(shang)(shang)(shang)的(de)AM142540MM-BM-R。EM二(er)極管封(feng)裝(zhuang)與FM包括完全相同(tong)(tong)的(de)二(er)極管封(feng)裝(zhuang)形態,采取直引線和(he)CuW卡箍部,而不再是(shi)銅卡箍部。卡箍部上(shang)(shang)(shang)面有兩位螺孔,用于擰(ning)到金屬(shu)件cpu風冷(leng)散熱器(qi)(qi)上(shang)(shang)(shang)。在(zai)(zai)這個(ge)MMIC是(shi)貼合RoHS的(de)。

特征英文

從1.4到2.6GHz的工作頻率(lv)用

高模擬輸出公(gong)率,P1dB=39dBm

高(gao)增(zeng)加收益>20dB

從1.4GHz到2.5GHz相配的插(cha)入

采用變動輸入輸出適應,就能夠(gou)覆蓋面1.4GHz至2.5GHz頻段(duan)的(de)400MHz帶寬的(de)配置

應用(yong)

PCS移(yi)動(dong)基站

GPS運用

MMDS

無(wu)線路由局域(yu)中繼器

14V廣泛應(ying)用(yong)