欧洲一区二区-欧美激情一区二区-国产激情在线-欧美在线一区二区

AM183030WM-EM-R L/S波段寬帶功率放大器
AM183030WM-EM-R L/S波段寬帶功率放大器
重點產品參數

頻率:1.6-3.3GHz

收獲:30.5

P1dB(DBM):30.5

PSAT(DBM)31.5

效果(guo)20

VD(V)8



品牌:AMCOM

類產品情況解紹

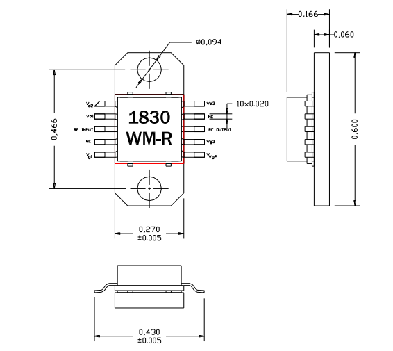
AM183030WM-BM/FM-R是砷化鎵MMIC工率縮放器產品的那位置。它在1.6到3.3GHz頻段有30.5dB的增加收益和30.5dBm的輸出電壓功效。該MMIC是一個個衛浴陶瓷封裝形式,rf射頻和直流電引線也在封裝形式的較低層面,要怎樣于低價格的SMT裝設到PC板上。當直接的安裝使用到印刷制版三極管板上時,請參閱廣泛應用說明書怎么寫AN700。由高直流變壓器耗電量,他們強推薦 將一些儀器可以直接連接在鋁合金cpu散熱器片上。AM183030WM-FM-R是裝設在鍍銀銅法蘭部支架上的AM183030WM-BM-R。卡箍上的兩個螺孔,方便擰到金屬材料散熱性能器上。這家MMIC是契合RoHS的。

癥(zheng)狀

從(cong)1.6到3.3GHz的(de)網絡(luo)帶(dai)寬

高輸出的最大功(gong)率,P1dB=30.5dBm

高增加收益(yi),30.5dB

徹底(di)適(shi)合(he);50歐姆輸(shu)人/模(mo)擬輸(shu)出電位差(cha)

應用領域

wifi手機(ji)智能互網絡(luo)和接入

無線(xian)wifi本地化環路

MMDS