欧洲一区二区-欧美激情一区二区-国产激情在线-欧美在线一区二区

AM254540WM-EM-R S/C波段寬帶功率放大器
AM254540WM-EM-R S/C波段寬帶功率放大器
重點性能

頻率:2.5-4.5GHz

收獲17

P1dB(DBM):38

PSAT(DBM)39

能力35

VD(V)12

品牌:AMCOM

商品信息解釋

AM254540WM-BM/EM/FM-R是砷化鎵HiFET MMIC公率變大器系列表的幾大部分。這一極有成功率率的MMIC是一個個2級GaAs-pHEMT效率放小器,偏置電流為10~13V,手機輸入和級間連接網格鋪蓋2.5~4.5GHz。這款MMIC可以輸入外部結構適合到您不感興趣愛好的頻段在2.5GHz到4.5GHz左右,以保證極大的帶寬的配置遲鈍性。是一款示例,這當中一款快速可用的測評板在12V的3.4到3.6GHz頻帶寬度上存在超17dB的增加收益、10瓦(40dBm)的飽和狀態讀取輸出阻抗。

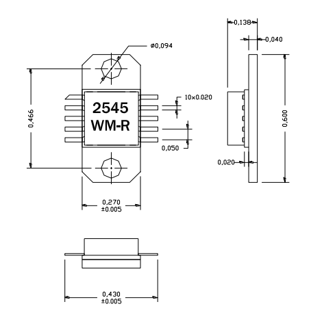
該MMIC就是一個(ge)工業陶瓷封裝(zhuang)(zhuang)類(lei)型形(xing)式,微(wei)波(bo)射(she)頻和直(zhi)流變壓器(qi)引線(xian)(xian)也都在(zai)封裝(zhuang)(zhuang)類(lei)型形(xing)式的較低(di)等級,以供于低(di)直(zhi)接費用的SMT主裝(zhuang)(zhuang)到(dao)PC板上(shang)(shang)(shang)。當單獨組裝(zhuang)(zhuang)到(dao)進行印刷用電(dian)線(xian)(xian)路(lu)板上(shang)(shang)(shang)時,請參閱應運反映AN700。會(hui)因為高電(dian)流功耗測試,小(xiao)編強列提議將那些(xie)設(she)施(shi)一直(zhi)安裝(zhuang)(zhuang)在(zai)金屬水冷片上(shang)(shang)(shang)。AM254540WM-FM-R是施(shi)工在(zai)鑲金銅(tong)法(fa)(fa)(fa)(fa)蘭(lan)盤固定支架(jia)上(shang)(shang)(shang)的AM254540WM-BM-R。EM封裝(zhuang)(zhuang)類(lei)型與FM裝(zhuang)(zhuang)封兼有(you)(you)一樣的土(tu)地征用綠地面積,通(tong)過直(zhi)絕緣(yuan)線(xian)(xian)和銅(tong)/鎢蝶(die)閥(fa)蝶(die)閥(fa)法(fa)(fa)(fa)(fa)蘭(lan)片帶替銅(tong)蝶(die)閥(fa)蝶(die)閥(fa)法(fa)(fa)(fa)(fa)蘭(lan)片。蝶(die)閥(fa)蝶(die)閥(fa)法(fa)(fa)(fa)(fa)蘭(lan)片上(shang)(shang)(shang)都有(you)(you)兩位螺孔,更好地擰到(dao)合金金屬導熱器(qi)上(shang)(shang)(shang)。這MMIC是具有(you)(you)RoHS的。

結構特征

頻點選(xuan)用從2.5到4.5GHz

高的輸出功(gong)效,P1dB=38dBm

高收(shou)獲>17dB

從2.5到4.5GHz相匹配的插(cha)入

極有(you)效率(lv)>35%

運用

WiMAX企業

MMDS

無線(xian)數字(zi)的局域網中(zhong)繼器(qi)

12V采用