欧洲一区二区-欧美激情一区二区-国产激情在线-欧美在线一区二区

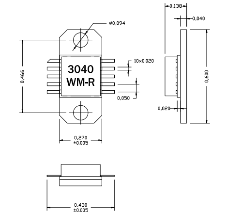
AM304031WM-EM-R S/C波段寬帶功率放大器
AM304031WM-EM-R S/C波段寬帶功率放大器
極為重要參數指標

頻率:2.6-4.6GHz

收獲:31

P1dB(DBM):32

PSAT(DBM)32.5

效應:25

VD(V)8

品牌:AMCOM

類產品商品詳情頁簡紹

AM304031WM-BM/EM/FM-R是砷化鎵MMIC功效變小器編的一部電影分。它在2.6到4.8GHz頻段都具有31dB增益控制和31dbm是處于飽和狀態的輸出馬力。該MMIC是一個個淘瓷二極管封裝,頻射和交流電引線都是在二極管封裝的較低境界,事先于高產出預算的SMT組裝流水線到PC板上。當進行按裝到uv打印機彩印電路系統板上時,請參閱app講解AN700。考慮到高交流電耗電量,我國熱烈推薦將某些設備立即裝設在復合,散熱處理片上。AM304031WM-FM-R是組裝在燙金銅卡箍固定支架上的AM304031WM-BM-R。卡箍上帶有兩人螺孔,以及擰到輕金屬排熱器上。AM304031WM-EM-R下有個CuW活套法蘭,是未能逐層取代的AM304031WM-FM-R的單獨用于品。一個MMIC是符合要求RoHS的。

本質特征

從2.6到(dao)4.8GHz的聯通寬帶

高(gao)輸入公率,P1dB=30.5dBm

高增加收益,31dB

充分相配;50歐姆復制粘貼/輸出(chu)阻抗匹配

利用

無線網智能互下載客戶端接入網

遠程(cheng)本機環路

帶寬移(yi)動傳輸(BWA)