HMC659LC5/HMC659LC5TR布置式工作電壓調小器 合適RoHS條件 ADI期貨代辦商
頒布(bu)期限:2018-06-25 14:26:35 手(shou)機瀏覽:7997
HMC659LC5也是款GaAs MMIC PHEMT區域式輸入轉換輸出拖動器,通過滿足RoHS規定的5x5 mm無引腳陶瓷圖片表貼裝封,在DC到15 GHz的頻繁 條件內上班。該拖動器可以提供19 dB收獲值、+35 dBm輸入轉換IP3和+27.5 dBm輸入轉換輸入轉換輸出(1 dB收獲值減小),功耗測試為300mA(通過+8V電源適配器)。
HMC659LC5在DC - 15 GHz空間內出具±0.7 dB的優秀收獲平淡度,從而愈來愈時候EW、ECM、聲納和測量裝備選用。HMC659LC5變小器I/O內控適合50 Ω,不能不外界部件。HMC659LC5與高容積表貼加工技巧兼容。
|
品牌
|
型號
|
描述
|
貨期
|
庫存
|
|
ADI
|
HMC659LC5
HMC659LC5TR
|
功率放大器,采用SMT封裝,DC - 15 GHz
|
現貨
|
173
|
HMC659LC5應用(yong)
-
電信基礎設施
-
微波無線電和VSAT
-
軍事和太空
-
測試儀器儀表
-
光纖產品
HMC659LC5優勢和特點
-
P1dB輸出功率:+27.5 dBm
-
增益:19 dB
-
輸出IP3:+35 dBm
-
電源電壓:+8V(300 mA時)
-
50 Ω匹配輸入/輸出
-
32引腳陶瓷5x5mm
SMT封裝:25mm2
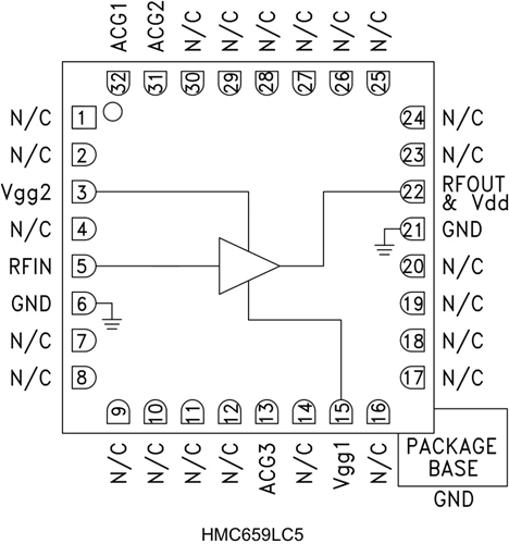
HMC659LC5結構圖
