行業內資迅
公布(bu)的日子:2018-06-25 14:52:49 看(kan):2022
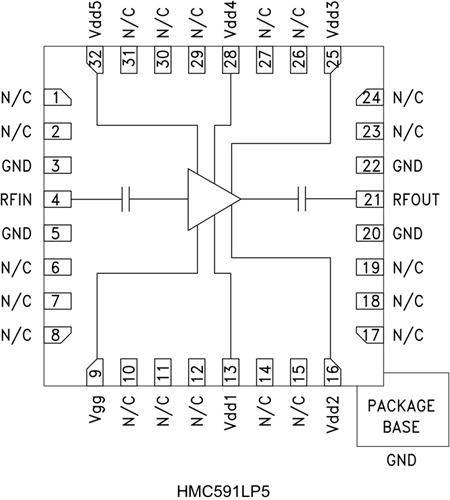
HMC591LP5(E)就是款高動圖位置(zhi)GaAs PHEMT MMIC 2 W操作(zuo)讀取(qu)功率(lv)增(zeng)加(jia)器,操作(zuo)的(de)(de)頻率(lv)位置(zhi)為6至9.5 GHz。 該(gai)增(zeng)加(jia)器出(chu)具18 dB增(zeng)益值,飽合操作(zuo)讀取(qu)功率(lv)為+33 dBm,電(dian)交流電(dian)壓為+7V (19% PAE)。 此增(zeng)加(jia)器切換50 Ω,需任何的(de)(de)外接器件(jian),RF I/O路過隔直(zhi),以出(chu)具不穩(wen)定性(xing)的(de)(de)機械性(xing)能。 關于還(huan)要更好OIP3的(de)(de)軟(ruan)件(jian),Idd應軟(ruan)件(jian)設置(zhi)為940 mA以引(yin)(yin)發+41 dBm OIP3。 關于還(huan)要更好讀取(qu)P1dB的(de)(de)軟(ruan)件(jian),Idd應軟(ruan)件(jian)設置(zhi)為1,340 mA以引(yin)(yin)發+33 dBm讀取(qu)P1dB。
品牌
型號
描述
貨期
庫存
ADI
HMC591LP5,HMC591LP5E
HMC591LP5ETR,HMC591LP5TR
2 W功率放大器,采用SMT封裝,6.0 - 9.5 GHz
現貨
158
HMC591LP5優勢和特點
+33 dBm (20% PAE)
