HMC847LC5速度4:1多路多路復用器 ADI期貨
推出事(shi)件:2019-02-20 16:15:19 閱(yue)讀:1768
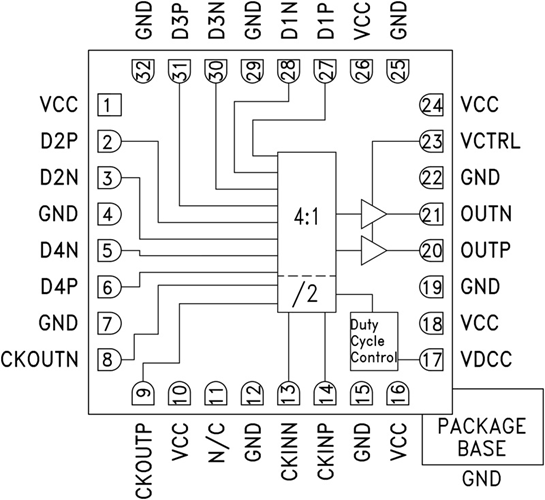
HMC847LC5都是款4:1多路重復的使用器,構思的使用45 Gbps信息串行用。 多路重復的使用器在投入鬧鐘的換為點鎖存十二個差分投入。 該元器的使用半傳送速度鬧鐘的提升沿和的降低沿來串行傳遞信息。 片內形成1/4傳送速度鬧鐘模擬內容輸出,與HMC847LC5的信息模擬內容輸出同時進行。
HMC847LC5的任何石英鐘和參數讀取/導出均選擇了CML并經由片內50 Ω端接至VCC,可選擇了直流電壓或聯絡合體。 HMC847LC5的讀取和導出可選擇了差分或單端增加工作上。 HMC847LC5還集合一名導出電平把控引腳VCTRL,可于自然損耗征收土地賠償或電磁波電平改善。 VDCC引腳把控參數導出對稱點與占空比。 HMC847LC5選擇了+3.3V單交流電源供電設備,保證合乎ROHS標準化的5x5 mm SMT封裝類型。
|
品牌
|
型號
|
貨期
|
庫存
|
|
ADI
|
HMC847LC5
|
1周
|
120
|
如果您所需訂購HMC847LC5,請點一側客服在線鏈接我!!!
HMC847LC5軟(ruan)件
-
SONET OC-768
-
RF ATE應用
-
寬帶測試和測量
-
串行數據傳輸高達36 Gbps
-
高速DAC接口
HMC847LC5優勢和特點
-
支持高達36 Gbps的數據速率
-
半速率時鐘輸入
-
?速率參考時鐘輸出
-
快速上升和下降時間: 11/12 ps
-
可編程差分輸出電壓擺幅: 250 - 900 mVp-p
-
單電源: +3.3V
-
32引腳5x5mm SMT封裝: 25mm2
HMC847LC5示意圖
