HMC499LC4/HMC499LC4TR中級工作效率圖像功率放大器無引腳 ADI現貨黃金
發(fa)表(biao)準確時間:2018-06-26 11:11:34 訪問:2173
HMC499LC4有的是款高信息的范圍圖GaAs PHEMT MMIC一般耗油率拖動器,運用不符合RoHS標準規定的無引腳“無鉛”SMT封口。 該拖動器具21至32 GHz的運行的范圍圖,能提供16 dB增益控制、+24 dBm飽和狀態耗油率和16% PAE(+5V供電電流電壓)。 隔直RF I/O搭配至50 Ω,操作快捷。 HMC499LC4就不需要線焊,需要操作表貼生產加工科技。
|
品牌
|
型號
|
描述
|
貨期
|
庫存
|
|
ADI
|
HMC499LC4
HMC499LC4TR
|
中等功率放大器,采用SMT封裝,21 - 32 GHz
|
現貨
|
215
|
軟件
-
點對點無線電
-
點對多點無線電和VSAT
-
測試設備和傳感器
優質和性能
-
輸出IP3: +34 dBm
-
飽和功率: +24 dBm (16% PAE)
-
增益: 16 dB
-
+5V(200 mA)電源
-
50 Ω匹配輸入/輸出
-
符合RoHS標準的4x4 mm SMT封裝
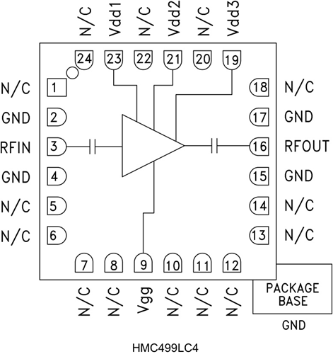
組成部分圖
