HMC455LP3ETR/HMC455LP3E高傳輸調小器 ADI現貨黃金代里商
發(fa)布信息時(shi):2018-06-26 11:56:52 看:2386
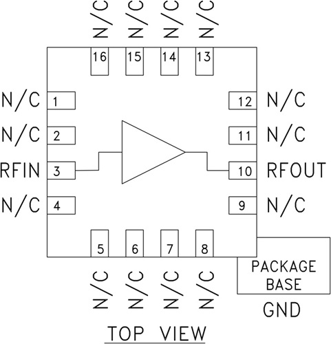
HMC455LP3(E)就是一款高讀取的IP3 GaAs InGaP異質結雙旋光性晶胞管(HBT)、1?2瓦特MMIC調小器,在1.7至2.5 GHz的頻率下本職工作。 該調小器僅食用面值最小總數量的外面電子器件,帶來13 dB的增益控制,在PAE為56%時帶來+28 dBm的是處于飽和狀態電功率,食用單獨+5 Vdc直流電壓外接電源。 因為享有+42 dBm的高讀取IP3,再依照1.4:1的低VSWR,因而HMC455LP3(E)為比較合適PCS/3G遠程框架配制的抱負安裝驅動調小器。 這一款規則化調小器使用高產出投入的無引腳3x3 mm QFN外面貼裝封裝(LP3)。 LP3帶來漏出基極以達到出彩的RF和蒸發器效果。
|
品牌
|
型號
|
描述
|
貨期
|
庫存
|
|
ADI
|
HMC455LP3ETR
HMC455LP3E
|
?瓦特高IP3放大器,采用SMT封裝,1.7 - 2.5 GHz
|
現貨
|
269
|
HMC455LP3應用
-
多載波系統
-
GSM、GPRS和EDGE
-
CDMA和WCDMA
HMC455LP3優勢和特點
-
輸出IP3: +42 dBm
-
增益: 13 dB
-
PAE為56%(Pout為+28 dBm時)
-
+19 dBm的W-CDMA通道功率(ACP為-45 dBc時)
-
3x3 mm QFN SMT封裝
HMC455LP3結構圖
