HMC465LP5/HMC465LP5E/HMC465LP5ETR規劃式驅動程序調大器 ADI期貨
更新(xin)時(shi)光:2018-06-26 14:34:00 看:6841
HMC465LP5(E)是款GaAs MMIC PHEMT數據分布式架構驅動下載器拖動器,選用了5x5 mm無引腳表貼封裝形式,在DC到20 GHz的辦公聲音頻率範圍內辦公。 該拖動器展示15 dB增加收益、3 dB嗓聲比率,呈現飽和狀態輸送功效為+25 dBm,選用了+8V電源模塊時能耗僅為160 mA。 它還具有0.5 dB的表現出色增加收益平緩度,在DC至10 GHz的辦公聲音頻率範圍內與線形相位的誤差值為± 4 度,某些因素可使HMC465LP5(E)相對適于OC192電信光纖LN/MZ熬制器驅動下載器拖動器還有測試英文機械設備選用。 HMC465LP5(E)拖動器I/O內控配對50 Ω。
|
品牌
|
型號
|
描述
|
貨期
|
庫存
|
|
ADI
|
HMC465LP5,HMC465LP5E
HMC465LP5ETR,HMC465LP5TR
|
寬帶驅動放大器,采用SMT封裝,DC - 20 GHz
|
現貨
|
203
|
HMC465LP5應用(yong)
-
OC192 LN/MZ調制器驅動器
-
微波無線電和VSAT
-
測試儀器儀表
-
軍用EW、ECM和C3I
HMC465LP5優勢和特點
-
增益: 15 dB
-
輸出電壓至10 Vp-p
-
飽和輸出功率: +24 dBm
-
電源電壓: +8V (160 mA)
-
50 Ω匹配輸入/輸出
-
32引腳5x5mm SMT封裝: 25mm2
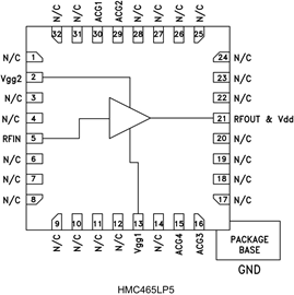
HMC465LP5結構圖
