HMC-AUH249/HMC-AUH249-SX遍布式驅動安裝拖動器裸片 ADI現貨黃金
發布新(xin)聞耗(hao)時:2018-06-26 15:41:03 查詢:2330
HMC-AUH249不是款GaAs MMIC HEMT遍布式動力調大器裸片,在DC至43 GHz的速率下工作任務,關鍵3 dB上行寬帶為35 GHz。 該調大器提高15 dB增益值,趨于穩定輸入瓦數為+23 dBm,一并通過+5V電流值電源模塊功能消耗僅200 mA。
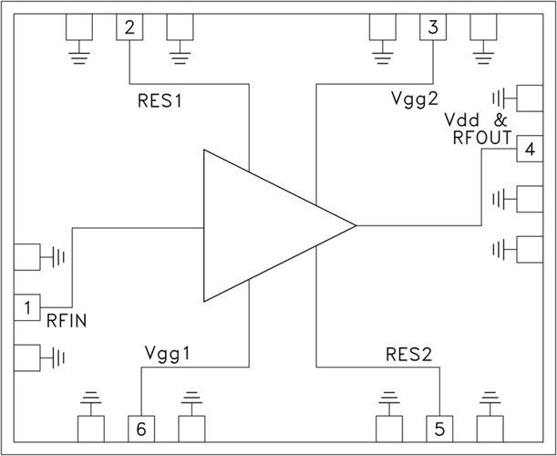
HMC-AUH249具備特好的增益值值,相位紋波增加25 GHz,能讀取低于8V的峰頂值,從而非常的適當網絡帶寬wifi、光仟通信網絡和考試裝置廣泛應用。 該放小器裸片被占范圍不夠4 mm2,以便于更快集成式到多基帶芯片引擎(MCM)中。 面對直流電電源適配器線,HMC-AUH249需要偏置器和片外隔直零件及旁路電容器。 Vgg1可手動設定節電子器件的偏置感應電流,Vgg2則設定讀取增益值值。
|
品牌
|
型號
|
描述
|
貨期
|
庫存
|
|
ADI
|
HMC-AUH249
HMC-AUH249-SX
|
調制器驅動放大器芯片,DC - 35 GHz
|
現貨
|
156
|
HMC-AUH249應(ying)用
-
光纖調制器驅動器
-
適用于測試和測量設備的增益模塊
-
點對點和點對多點無線電
-
寬帶通信和監控系統
-
雷達警報系統
HMC-AUH249優勢和特點
-
小信號增益: 15 dB
-
輸出電壓: 最高8V pk-pk
-
Psat輸出功率: +23 dBm
-
高速性能: 大于35 GHz的3 dB帶寬
-
電源電壓:
+5V (200 mA)
-
S小尺寸裸片:
2.2 x 1.80 x 0.1 mm
HMC-AUH249結構圖
