2kw相電壓聯絡AC-DC電適配器功能板塊帶PFC_美利堅PICO電適配器功能板塊HPHA2
發(fa)布的準確(que)時間:2019-01-25 11:23:22 訪問 :3310
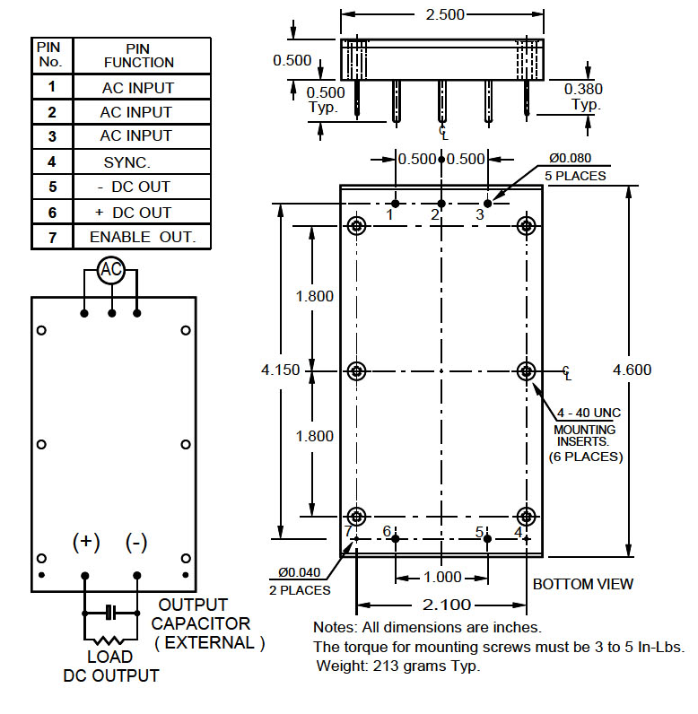
PICO的(de)(de)2kw相(xiang)電(dian)(dian)壓聯(lian)席會AC-DC供電(dian)(dian)模塊電(dian)(dian)源(yuan)HPHA2是適用(yong)性(xing)于兩相(xiang)電(dian)(dian)或(huo)相(xiang)電(dian)(dian)壓導(dao)出(chu)(chu)(chu)/直流(liu)變壓器導(dao)出(chu)(chu)(chu)采(cai)用(yong)的(de)(de)通(tong)用(yong)版聯(lian)席會電(dian)(dian)的(de)(de)帶(dai)PFC自然(ran)前端(duan)(duan)部(bu)(bu)位。原則2.5“x 4.6”x 0.5“規格長寬是日前行業上輸(shu)(shu)出(chu)(chu)(chu)條件較小(xiao)的(de)(de)規格長寬其一。帶(dai)來(lai)了365V穩壓整流(liu)輸(shu)(shu)出(chu)(chu)(chu),會運用(yong)作PICO FD / MD / LFD / LMD /的(de)(de)前端(duan)(duan)部(bu)(bu)位LPD / PD和HPD系列產(chan)品DC-DC改換器可帶(dai)來(lai)了3.3V至300V DC。然(ran)而,更多皮秒激光和發電(dian)(dian)機操作能夠以(yi)一直運用(yong)HPHA2的(de)(de)365V DC輸(shu)(shu)出(chu)(chu)(chu)。他們對有差異 的(de)(de)輸(shu)(shu)出(chu)(chu)(chu)電(dian)(dian)壓電(dian)(dian)流(liu)和映射(she)的(de)(de)任務高溫,請聯(lian)系他們。
|
品牌
|
型號
|
貨期
|
庫存
|
|
PICO
|
HPHA2
|
1周
|
500
|
|
如若您需要購HPHA2,請點擊右側客服聯系我們!!!
|
優點創新舉措:
-
具備EN / IEC 61000-3-2符合要求
-
常用搜索線電(dian)壓(47至440Hz)(85至250V AC)或208V AC±20%。線對線相電(dian)壓輸入標(biao)準化
-
輸(shu)出(chu)電壓耗油率: 2000W(以每伏0.5%的傳(chuan)輸速率從220V AC降下來170V AC)
-
額定功率條(tiao)件(jian): 0.99(從50%到(dao)100%FL)
-
同時(shi)進行引腳:對(dui)於要求關聯(lian)(lian)的體統,行實用100 KHz的關聯(lian)(lian)無(wu)線信號。
-
運用引腳:廣泛用于(yu)以(yi)免(mian)Pico DC-DC改換器(qi)(qi)張(zhang)開,昨(zuo)天HPHA2的(de)(de)傳輸在(zai)(zai)可(ke)配受的(de)(de)受限領域內(nei)。間接(jie)聯接(jie)到(dao)PICO的(de)(de)LP / P / HP DC-DC信息模塊電(dian)源的(de)(de)關斷引(yin)腳,使能引(yin)腳將實現DC-DC信息模塊電(dian)源開起,到(dao)HPHA2的(de)(de)打出在(zai)(zai)可(ke)連受的(de)(de)限定範圍內(nei)。若(ruo)是DC-DC接(jie)口就(jiu)在(zai)(zai)供應重負債(zhai),這(zhe)說(shuo)明著這(zhe)將不不得DC-DC變為器(qi)(qi)在(zai)(zai)<300伏輸入時開,這(zhe)其(qi)中HPHA2應該供應I =開關電(dian)源/ Vout的(de)(de)工作電(dian)流。
-
速率: 90%或更(geng)大(da)(從170到(dao)250V AC或三(san)相電源錄入最(zui)高95%)
完(wan)善機械技術規范:
還要注意:穩壓365V整流輸出(chu)可隨(sui)時(shi)廣泛(fan)用于有(you)很多(duo)三相電機,激(ji)光(guang)行業和隨(sui)時(shi)控制適用。
-
統一(yi)放入電壓電流(47至440 Hz): 85至250V AC。
-
需注意(yi): 面對110 / 220V AC實(shi)操,不(bu)得連結“AC3”絕緣端子。
-
降(jiang)額(e)輸出耗油率壓(ya)低(di)220V AC(參與下的(de)“工作輸出電功率(lv)”)
-
就達到60 Hz的次數,工作功率質因數將降低了大約。如無特有需求,請咨訊PCB電路板工廠。
-
為取得最適宜工作效(xiao)率,意見操(cao)作170至(zhi)250V AC。(110V AC復制粘(zhan)(zhan)貼的典(dian)例(li)(li)成(cheng)功率為90%,220V AC復制粘(zhan)(zhan)貼的典(dian)例(li)(li)成(cheng)功率為95%)
-
380V輸入: 208V AC±20%線對線單相鍵盤輸(shu)入
-
輸出熱效(xiao)率:較(jiao)大2000瓦(wa)@ 220V AC。將(jiang)傷害電輸出功(gong)率(lv)(lv)從220 VAC線(xian)性網絡(luo)降(jiang)低0.5%/ Volt至170 VAC(比較(jiao)大電輸出功(gong)率(lv)(lv)@ 170 VAC輸入= 1,500 W)。110 VAC最多(duo)1,000瓦(wa)。將(jiang)模擬輸出工作熱(re)效率(lv)(lv)從110VaX非線(xian)性降(jiang)1.2%/ Volt至85 VAC(非常大工作熱(re)效率(lv)(lv)@ 85 VAC錄入= 700瓦(wa))。
-
滿(man)艙時的打印輸出電(dian)壓電(dian)流容(rong)差: ±2%
-
上班規律(lv): 100KHz
-
本職溫度因素(su): 0oC至+85oC基材,不同(tong)額(e)定功率額(e)定功率。
-
需求(qiu)的導出電解(jie)電容:改進措施(shi)在(zai)2000W時為(wei)1.5m F至1200μF。這將(jiang)保持紋波端(duan)電壓少于10Vpp。 請參閱許多耗油率電平,電纜線幀率或Vpp紋波的表達式。
-
注(zhu)重: 可以銜接(jie)輸出(chu)電壓(ya)電解電容(rong)或破壞(huai)電源模塊(kuai)。
-
屏蔽:
-
錄入到導出:無
導入/模擬輸出不懈板:2121V DC
-
負載電(dian)阻調理: (10%至100%載(zai)荷±3%)
-
熱關斷: 90至100oC底板
-
過壓養護: HPHA2必須 一與(yu)發送串并聯的15安培(pei)很快燒毀保費絲(si)。
-
重量體積: 7.2盎司(si)(231克(ke))典范
2kw三相交流AC-DC電源模塊結構圖
