HMC1063LP3E/HMC1063LP3ETR緊身型I/Q MMIC混頻器 ADI現貨交易
發布新聞時刻(ke):2018-07-02 14:41:15 網頁瀏覽:1899
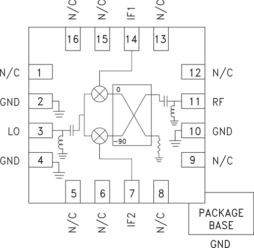
HMC1063LP3E不是款主體工程型I/Q MMIC混頻器,主要按照“無鉛”SMT整流二極管封裝,適用作鏡象文件能夠阻止混頻器或一側帶進去變頻器。 該混頻器主要按照兩位規定Hittite雙動平衡混頻器單園和的直角相混元元元器件封裝封裝封裝,均主要按照GaAs Schottky整流二極管工藝設計制做。 底頻正交相混元元元器件封裝封裝封裝用作產生1,000 MHz LSB IF打印輸出。 該服務為相混型鏡象文件能夠阻止混頻器和一側帶進去變頻器應用程序的全自動重復應用元元元器件封裝封裝封裝。 HMC1063LP3E免線焊,能夠 應用表貼制做的技術。
|
品牌
|
型號
|
描述
|
貨期
|
庫存
|
|
ADI
|
HMC1063LP3E
HMC1063LP3ET
|
GaAs MMIC I/Q混頻器,24 - 28 GHz
|
現貨
|
259
|
HMC1063LP3E應(ying)用
-
點對點和點對多點無線電
-
軍用雷達、EW和ELINT
-
衛星通信
-
傳感器
HMC1063LP3E優勢和特點
-
低LO功率: 10 dBm
-
寬IF帶寬: DC - 3 GHz
-
鏡像抑制: 21 dBc
-
LO/RF隔離: 40 dB
-
高輸入IP3: 17 dBm
-
16引腳3x3 mm SMT封裝: 9 mm2
HMC1063LP3E結構圖
