HMC1113LP5E/HMC1113LP5ETR表貼裝封緊湊suv型下直流變頻空調器 ADI現貨黃金
更新(xin)時:2018-07-03 10:16:58 搜素(su):2468
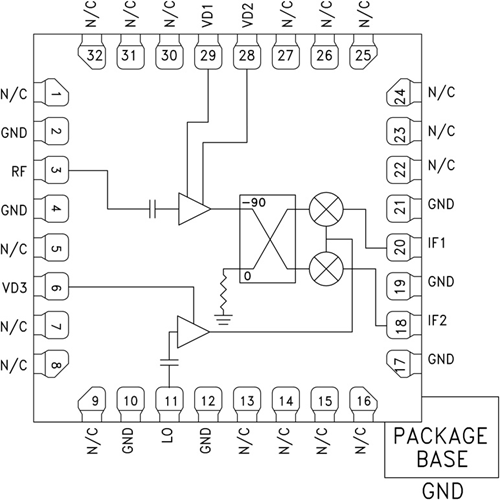
HMC1113LP5E也是款緊湊型GaAs MMIC I/Q下變頻器,選取無鉛5 x 5 mm低剛度注塑機材料表貼芯片封裝。 該電子元器材給出12 dB的小移動信號轉化增益控制、1.8 dB的的噪音常數和25 dBc的映射軟件也可以促使安全性能。 HMC1113LP5E選取LNA,后接由LO減慢器變小器驅動器的映射軟件也可以促使混頻器。 該映射軟件也可以促使混頻器表明LNA以后不能自己運用濾波器,并可消掉映射軟件頻段下的熱的噪音。 它享有I/Q混頻器轉換,需提交外鏈90°分層型電子元器材應用于挑選需提交邊帶。 HMC1113LP5E為分層型映射軟件也可以促使混頻器下變頻器構件的家庭型改用電子元器材,它不能自己線焊,也可以運用表貼加工制造高技術。
|
品牌
|
型號
|
描述
|
貨期
|
庫存
|
|
ADI
|
HMC1113LP5E
HMC1113LP5ETR
|
GaAs MMIC I/Q下變頻器,10 - 16 GHz
|
現貨
|
257
|
HMC1113LP5E使用
-
點對點和點對多點無線電
-
軍用雷達、EW和ELINT
-
衛星通信
HMC1113LP5E優勢和特點
-
轉變成增益控制:12 dB
-
iso鏡像能夠抑制:25 dBc
-
LO至RF隔開:45 dB
-
低頻噪音公式:1.8 dB
-
IP3:1 dBm
-
32引腳5 x 5 mm SMT打包封裝
HMC1113LP5E結構圖
