HMC6146BLC5A/HMC6146BLC5ATR有線電可變性增益控制上調頻器 ADI期貨
發表日子:2018-07-04 10:06:39 瀏覽器:6780
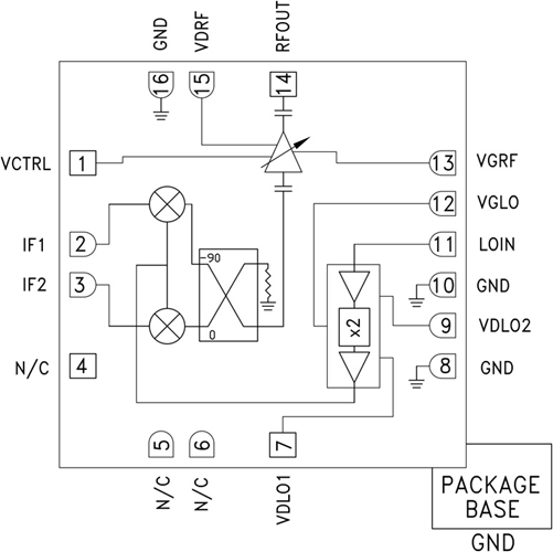
HMC6146BLC5A都是款主體工程型GaAs MMIC I/Q可變氣門正時氣門正時增加收益值設定上直流變頻空調器,分為無引腳RoHS兼容型SMT封裝形式。 該器材帶來了12 dB小手機信號切換增加收益值設定,存在25 dBc邊帶抑制作用和17 db增加收益值設定設定。 HMC 6146BLC5A分為RF可變氣門正時氣門正時增加收益值設定圖像放大儀,在其在之前為的I/Q混頻器,LO由X2倍頻器驅程。 帶來了IF1和IF2混頻器手機輸入,另外可用異常90°分層的選擇想要邊帶。
I/Q混頻器拓補拉低了面向干涉邊帶來濾波的想要。 HMC6146BLC5A是款更輕便、都可以取代了混和一側加上直流變頻空調器的產品設備,可以表貼研發技術應用,不能不線焊。
|
品牌
|
型號
|
描述
|
貨期
|
庫存
|
|
ADI
|
HMC6146BLC5A
HMC6146BLC5ATR
|
GaAs MMIC I/Q上變頻器,40 - 44 GHz
|
現貨
|
198
|
HMC6146BLC5A應用
-
點對點與
點對多點無線電
-
軍用雷達、EW與ELINT
-
衛星通信
HMC6146BLC5A優勢和特點
-
轉換增益:12 dB
-
邊帶抑制:25 dBc
-
2LO至RF隔離:15 dB
-
高輸出IP3:+27 dBm
-
16引腳5x5 mm陶瓷封裝:25 mm2
HMC6146BLC5A結構圖
