HMC666LP4E/HMC666LP4ETR高日常動態使用范圍無源MMIC混頻器 ADI期貨
上架時間段:2018-07-05 10:48:57 打(da)開網頁:7374
HMC666LP4(E)都是款高新動態區間無源MMIC混頻器,融合LO變成器,按照4x4 SMT QFN芯片封裝,操作頻繁為3.1 - 3.9 GHz。 該電子元件根據WiMAX和一定無線路由用領域給出+31 dBm的出眾手機輸入IP3特點以確定下變頻器,LO帶動為0 dBm。 LO端口號根據中低LO用領域優化提升。
RF接口的放入1 dB壓縮視頻為+23 dBm,可鼓勵寬區域放入衛星信號電平。 轉變成耗用明顯參考值9 dB。 該配件的DC至800 MHz IF頻帶寬度響應的能做到WiMAX導彈或發送到頻帶寬度開發計劃規范要求。 立維創展HMC666LP4(E)與HMC688LP4(E)引腳兼容,再者有的是款2.0 - 2.7 GHz混頻器,整合LO調小器。
|
品牌
|
型號
|
描述
|
貨期
|
庫存
|
|
ADI
|
HMC666LP4E
HMC666LP4ETR
|
集成LO放大器的SMT BiCMOS混頻器,3.1 - 3.9 GHz
|
現貨
|
235
|
技術應用
-
WiMAX/4G與固定無線
-
基礎設施與中繼器
-
發射機與接收機
-
測試和測量設備
HMC666LP4E優勢和特點
-
高輸入IP3: +31 dBm
-
低轉換損耗: 9 dB
-
低LO驅動: 0 dBm
-
上變頻與下變頻應用
-
針對低端LO輸入優化
-
24引腳、4x4mm SMT封裝: 16mm2
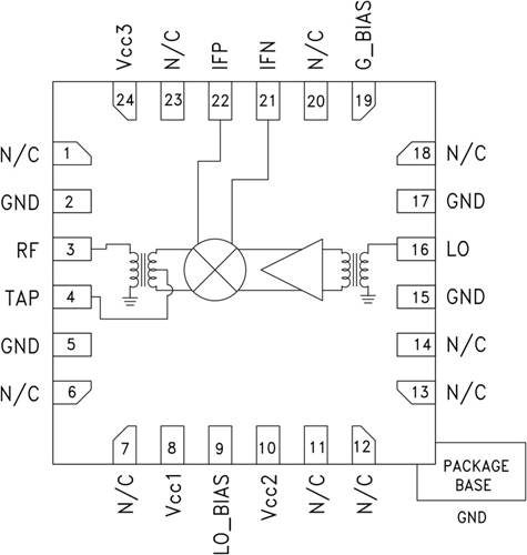
HMC666LP4E結構圖
