HMC404/HMC404-SX集成系統LO變大器處理芯片 ADI現貨黃金
公布(bu)時間:2018-07-06 13:51:03 閱覽(lan):2928
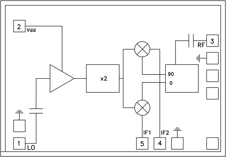
HMC404心片有的是款融合LO擴大器的次諧波(x2) MMICiso鏡像文件遏制混頻器,可以用在作上變頻器或下變頻器。 該心片應用GaAs PHEMT水平,心片產品規模為2.31mm2。 片內90°結合配件帶來漂亮的振動幅度和相位和平的性能,iso鏡像文件遏制達到22 dB。 LO擴大器應用單偏置(+4V)冷凝機組結構設計,僅需+2 dBm的標稱win7驅動。
|
品牌
|
型號
|
描述
|
貨期
|
庫存
|
|
ADI
|
HMC404
HMC404-SX
|
GaAs MMIC次諧波IRM混頻器芯片,26 - 33 GHz
|
現貨
|
238
|
HMC404應(ying)用
-
26至33 GHz微波無線電
-
針對點對點無線電應用的上下變頻器
HMC404優勢和特點
-
集成LO放大器: +2 dBm輸入
-
次諧波(x2) LO
-
鏡像抑制: 22 dB
-
小尺寸: 1.90 x 1.25 mm
HMC404結構圖
