HMC338LC3B/HMC338LC3BTR警用ibmsLO混頻器 ADI現貨黃金
推送耗(hao)時:2018-07-06 15:36:46 瀏覽(lan)訪問:7357
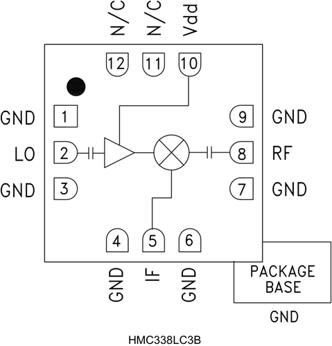
HMC338LC3B也是款集成化LO調小器的24 - 34 GHz次諧波(x2) MMIC混頻器,用到合乎RoHS標準的無引腳SMT封口。 在30 dB時,2LO至RF隔絕安全的使用性能漂亮,需不需要減半濾波。 LO調小器用到單偏置(+3V到+4V)開發,需-5 dBm的標稱推動。 RF和LO表層為隔直表層并配備50 ?,安全的使用便于,同一IF的操作頻率范圍內為DC至3 GHz。 HMC338LC3B需不需要線焊,能否安全的使用表貼加工制造技能。
|
品牌
|
型號
|
描述
|
貨期
|
庫存
|
|
ADI
|
HMC338LC3B
HMC338LC3BTR
|
次諧波混頻器,采用SMT封裝,24 - 34 GHz
|
現貨
|
237
|
軟件
-
點對點無線電
-
點對多點無線電和VSAT
-
測試設備和傳感器
-
軍用最終用途
-
SATCOM
HMC338LC3B優勢和特點
-
集成LO放大器: -5 dBm輸入
-
次諧波(x2) LO
-
DC - 3 GHz帶寬IF
-
符合RoHS標準的3x3 mm SMT封裝
-
單正電源: +4V (31mA)
HMC338LC3B結構圖
