欧洲一区二区-欧美激情一区二区-国产激情在线-欧美在线一区二区

HMC612LP4E/HMC612LP4ETR寬讀取帶寬起步常用對數檢波器/掌控器 ADI外盤

披(pi)露(lu)時光:2018-07-09 16:06:59     觀看:7508

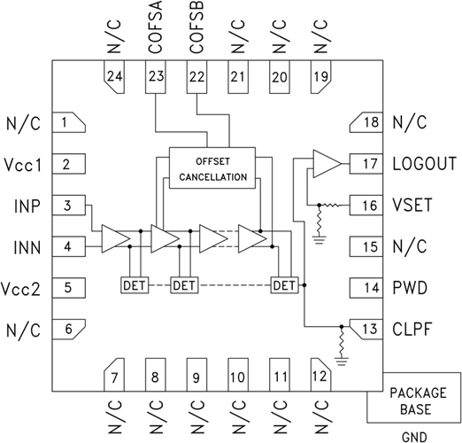
HMC612LP4(E)對數檢波器/控制器適合用來將頻率范圍為50 Hz至3 GHz的輸入信號轉換為輸出端成比例的直流電壓。 HMC612LP4(E)采用連續壓縮技術,在寬輸入頻率范圍內具有極高的動態范圍和轉換精度。 隨著輸入信號增加,連續放大器逐漸進入飽和狀態,從而(er)生成對(dui)數(shu)函數(shu)近似(si)值。

若您有不管(guan)什么質疑,請結合(he)自(zi)己(ji)大家立維創展(zhan),自(zi)己(ji)大家會盡(jin)最主要付出為您工作。

對一品類平方和律檢波器打印模擬輸出求和,轉變成至線直流電壓域并緩沖區,以能夠LOGOUT打印模擬輸出。 在探測模式切換切換英文下,LOGOUT引腳出現短路至VSET填寫,并展示 19 mV/dB標稱對數計算斜率各種-99 dBm截點。 HMC612LP4(E)還可作于驅動器模式切換切換英文,在該模式切換切換英文下外部結構線直流電壓給予到VSET引腳,產生AGC或APC調查問卷環路。


品牌 型號 描述 貨期 庫存
ADI HMC612LP4E
HMC612LP4ETR
對數檢波器控制器,采用SMT封裝,50 Hz - 3 GHz 現貨 89


HMC612LP4E技術應用(yong)

  • 蜂窩/PCS/3G
  • WiMAX、WiBro、WLAN、固定無線與雷達
  • 電源監測與控制電路
  • 接收機信號強度指示(RSSI)
  • 自動增益與電源控制


HMC612LP4E優勢和特點


  • 寬輸入帶寬:
  • 50 Hz至3 GHz
  • 寬動態范圍:最高74 dB
  • 高精度:±1 dB(60 dB范圍,最高0.9 GHz)
  • 電源電壓:+2.7V至+5.5V
  • 出色的溫度穩定性
  • 關斷模式
  • 4x4mm緊湊型無引腳
  • SMT封裝


HMC612LP4E結構圖

引薦房產資訊
  • 關于THUNDERLINE-Z產品申明
    關于THUNDERLINE-Z產品申明 2020-10-14 15:54:05 廣州 市立維創展科技產業有現集團,是美THUNDERLINE-Z & Fusite牌子在中的品牌授權方式商,其金屬窗玻璃封好接線端子,已比較廣泛用于航天工程、美國軍事、微波通信等高可信性各個領域。
  • ?RT06128SNHEC03圓形連接器現貨庫存
    ?RT06128SNHEC03圓形連接器現貨庫存 2025-08-21 16:44:03 RT06128SNHEC03 是 Amphenol 投放市場的正方形聯系器,含有程度健康安全信得過的結構設計架構模式與優異的能,周圍學習環境抗御專業能力強,能自滿足小車電子器材、工控設備定時化等對周圍學習環境滿足性的標準苛求的產業。