行業領域咨詢
披露(lu)耗(hao)時:2020-08-31 15:09:54 看:7287
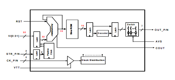
DS852是一(yi)種(zhong)高速直(zhi)接(jie)數字合成器,頻率(lv)調諧分(fen)辨率(lv)為(wei)32位,振幅分(fen)辨率(lv)為(wei)11位。DS852第一(yi)奈(nai)奎斯特波段的正弦波最大產生1.1 GHz。初始階段可以重(zhong)置為零(ling)啟(qi)動。DS852芯片(pian)具有(you)一對(dui)與50相連的(de)互補(bu)(bu)輸出(chu)端(duan)子。輸出(chu)波形的(de)頻率(lv)可由(you)32位頻率(lv)控制位Vi[0:31]控制。DS852可以接受(shou)互補(bu)(bu)時鐘輸入或單端(duan)時鐘輸入,具有(you)50Ω的(de)片(pian)上后端(duan)終(zhong)端(duan)和用戶定義的(de)閾值。頻(pin)率字的輸(shu)入信號(hao)接(jie)受LVTTL或CMOS輸(shu)入電平。只需5.0伏交流電源。

DS852主耍共(gong)同點(dian)
32位(wei)(wei)平(ping)率調(diao)諧器和11位(wei)(wei)相位(wei)(wei)簽(qian)別(bie)率
含(han)有(you)11位辨別好壞率的片(pian)上dac
鬧鐘幾(ji)率獨角獸高達2.5GHz
產生(sheng)了可以達到1.2GHz的(de)正弦函數波(bo)
50后(hou)臺互補(bu)式模擬網波型輸出
很差SFDR>50 dBc
LVTTL/CMOS數值次數字復制粘貼
開(kai)啟(qi)引腳以(yi)啟(qi)動時階(jie)段中0重啟(qi)環(huan)境
用(yong)到創新頻段字(zi)和(he)dac輸送概率的高速度選通
極速選(xuan)通搜索(suo)禁止(zhi)由片(pian)式(shi)機或(huo)DSP處理器設定DS852,變現雷(lei)達回波圖啁啾系統。
的頻率自動更新(xin)率萬代高達8個鬧鐘期(qi)
單-5.0V供電的耗電量為3.0W
64針QFN二極管封裝
DS852操作
雷達(da)天線設計(ji)的概念(nian)和(he)試驗(yan)報告
小行星安全(quan)可靠
VSAT
自動(dong)化戰(zhan)
有線(xian)通信基站
頻射(she)表現源導(dao)致
分析儀器和半導測量儀
現進通信(xin)網絡(luo)調(diao)制(zhi)解(jie)調(diao)
長沙市立維創展科技開發是(shi)EUVIS的代銷商(shang)(shang)生產(chan)商(shang)(shang)商(shang)(shang),重點給出(chu)EUVIS的國內著名的飛速數模(mo)轉(zhuan)移DAC、真(zhen)接數字化規律(lv)提煉(lian)器DDS、多(duo)路復(fu)用DAC的IC芯片級(ji)商(shang)(shang)品,還有極(ji)速采樣板卡(ka)、動態圖片波形(xing)圖有器等(deng)商(shang)(shang)品,原裝機外盤,報價(jia)優(you)勢可言,感謝了解和咨詢。