HMC547ALC3/HMC547ALC3TR通用性型帶寬高隔離霜SPDT按鈕開關 ADI期貨
披露精力:2018-07-10 13:58:18 搜(sou)素(su):7436
HMC547ALC3是一個款公用型移動寬帶網絡高防護非漫反射GaAs MESFET SPDT打開,按照3x3 mm無引腳工業陶瓷表貼封裝類型。該打開規律範圍為DC至28.0 GHz,在中頻段時具備著不低于40 dB的防護度和乘以2 dB的添加耗費。移動寬帶網絡寬、快速的打開和家用suvsuv型寬度使汲取式SPDT比較合適軍工用EW/ECM和自測環保設備應用。該打開按照-5/0V的互補原理負管理電流電壓思維模式配電線路任務,就不需要偏置電源線。若您有其中疑問句,請關聯人們的立維創展,人們的會盡較大 盡力為您服務。
|
品牌
|
型號
|
描述
|
貨期
|
庫存
|
|
ADI
|
HMC547ALC3
HMC547ALC3TR
|
GaAs MMIC SPDT非反射式開關,DC - 28.0 GHz
|
現貨
|
233
|
HMC547ALC3軟件
-
光纖和寬帶通信
-
微波無線電和VSAT
-
軍用無線電、雷達和ECM
-
測試儀器儀表
HMC547ALC3優勢和特點
-
高隔離度:
45 dB (10 GHz)
39 dB (20 GHz)
-
低插入損耗:
1.9 dB (10 GHz)
2.2 dB (20 GHz)
-
快速開關:6 ns
-
非反射設計
-
16引腳3x3 mm SMT陶瓷封裝:9mm2
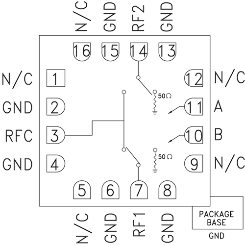
HMC547ALC3結構圖
