HMC322ALP4E/HMC322ALP4ETR網絡帶寬非漫反射SP8T按鈕 ADI現貨平臺
更(geng)新時間間隔:2018-07-10 15:03:37 手機瀏覽:1994
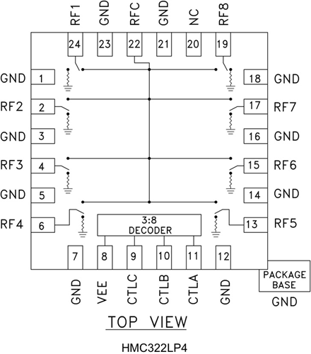
HMC322ALP4E一款移動寬帶非反射性GaAs MESFET SP8T電轉換電觸點開關按鈕,用到低代價無引腳表貼二極管封裝。 該電轉換電觸點開關按鈕速度時間范圍為DC至8 GHz,含有高要進行隔離和低放消耗的資金。 該電轉換電觸點開關按鈕還集成就了片內二進制解碼數據電路板,將想要結構有效掌握線減至3條。 該電轉換電觸點開關按鈕用到0/-5V負有效掌握線電壓工作任務,想要規定偏置為-5V。 該電轉換電觸點開關按鈕實于50歐姆或75歐姆軟件系統。若您有不管什么的問題,請練習我門立維創展,我門會盡明顯奮力為您貼心服務。
|
品牌
|
型號
|
描述
|
貨期
|
庫存
|
|
ADI
|
HMC322ALP4E
HMC322ALP4ETR
|
GaAs MMIC SP8T非反射式開關,DC - 8 GHz
|
現貨
|
186
|
HMC322ALP4E運用
該控制開關可用做DC - 8.0 GHz 50歐姆或75歐姆系統軟件:
-
寬帶
-
光纖產品
-
開關濾波器組
-
低于8 GHz的無線應用
HMC322ALP4E優勢和特點
-
寬帶性能: DC - 8.0 GHz
-
高隔離度: >30 dB@ 6 GHz
-
低插入損耗: 2.4 dB@ 6 GHz
-
集成式3:8 TTL解碼器
-
24引腳4x4mm QFN封裝: 9 mm2
HMC322ALP4E結構圖
