餐飲行業咨訊
上線周期:2018-07-11 15:05:17 搜(sou)素:2035
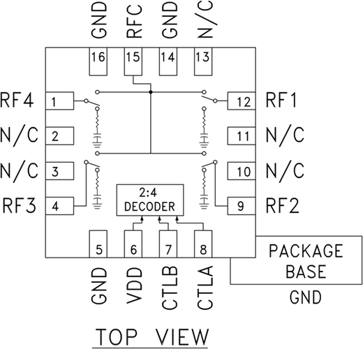
HMC345ALP3E是一款寬帶非反射GaAs MESFET SP4T開關,采用低成本無引腳表貼封裝。該開關頻率范圍為DC至8 GHz,具有高隔離和低插入損耗。立維創展該(gai)開關(guan)還集(ji)成了板載(zai)二進制解碼電(dian)(dian)路,將所(suo)(suo)需邏(luo)輯控(kong)制線減至兩條。該(gai)開關(guan)采(cai)用0/+5V正控(kong)制電(dian)(dian)壓工(gong)作,所(suo)(suo)需固(gu)定偏置為+5V。
*端口RFC和RF1、2、3和4需配有隔直電容。它們的值決定最低傳輸頻率。
若您有其他問題,請連續企業立維創展,企業會盡更大奮力廣而告之于。
品牌
型號
描述
貨期
庫存
ADI
HMC345ALP3E
HMC345ALP3ETR
GaAs MMIC SP4T非反射式正控制開關,DC* - 8 GHz
現貨
112
HMC345ALP3E應用
該按鈕常中用DC - 8.0 GHz 50 Ω或75 Ω系統的:
HMC345ALP3E優勢和特點
HMC345ALP3E結構圖
