行業領域最新資訊
披(pi)露時候(hou):2022-05-12 16:34:31 手機(ji)瀏覽:2068
如今市揚上(shang)TI的(de)廢(fei)料TPS82130、TPS82140、TPS82150短缺,導至渠道(dao)方式商售價股權溢價達到50倍,IC的(de)原(yuan)先的(de)總(zong)價值都已經(jing)被(bei)時空扭曲。誠然TI的(de)廢(fei)料產品品質無需嚴(yan)格,被(bei)亞(ya)洲地區用戶認證,是怎樣處理(li)好盡管窘境,臺(tai)達Cyntec適(shi)度說出了(le)pin to pin原(yuan)位混用策劃方案。
類型 | 鍵入電壓值 | 輸出的電壓降 | 直流電壓 |
TPS82130 | 3~17V | 0.9~6V | 3A |
TPS82140 | 3~17V | 0.9~6V | 2A |
TPS82150 | 3~17V | 0.9~6V | 1A |
TPSM82903 | 3~17V | 0.4~5.5V | 3A |
這一微POL電源開關組件,體積大小小,僅為3.0mm x 2.8mm x 1.5mm,集淪為DC-DC電子器件、電感,明顯地還簡化了玩家制作,直接應該展示非常好EMI特征參數。

而Cyntec的原位替代產品 MUN12CAD03-SEC , 以完全不用改動PCB,并且以超低的紋波特性,被廣泛應用于儀表、通信、服務器等領域。
1. 數據價格對比
類型 | 規格尺寸 | 讀取直流電壓 | 輸出交流(liu)電壓交流(liu)電壓 | 功率 | Vfb |
TPS82130 | 2.8*3.0*1.5mm | 4.5~17.0V | 0.9~6.0V | 3A | 0.8V |
MUN12AD03-SEC | 2.8*3.0*1.5mm | 4.5~17.0V | 0.8~5.5V | 3A | 0.6V |
2. 更換軟(ruan)件指導(dao)性(xing):
(1)TPS82130是利用內部人員輸出功率值鉗位保持通電過后的工作輸出輸出功率值斜率,來盡量不要過大的浪涌功率并保持(chi)受(shou)控(kong)的(de)(de)(de)(de)輸入額定(ding)(ding)電(dian)(dian)壓攀升(sheng)周期。當 EN引(yin)腳(jiao)被拉高(gao)(gao)時(shi)(shi),元(yuan)件會在(zai) 55μs(基本特征值(zhi))的(de)(de)(de)(de)廷遲后展開轉換(huan)開關(guan)(guan),因此轉換(huan)相(xiang)(xiang)(xiang)額定(ding)(ding)相(xiang)(xiang)(xiang)交(jiao)流電(dian)(dian)壓以由(you)聯系(xi)到 SS/TR 引(yin)腳(jiao)的(de)(de)(de)(de)對外部電(dian)(dian)感器(qi)(qi)設定(ding)(ding)的(de)(de)(de)(de)斜率飆升(sheng)。可安全使(shi)用(yong)(yong)(yong)(yong)越來(lai)越小的(de)(de)(de)(de)電(dian)(dian)感器(qi)(qi)或(huo)使(shi) SS/TR 引(yin)腳(jiao)懸空折(zhe)疊式,可實現了最高(gao)(gao)的(de)(de)(de)(de)啟(qi)用(yong)(yong)(yong)(yong)用(yong)(yong)(yong)(yong)時(shi)(shi)。TPS82130 可啟(qi)用(yong)(yong)(yong)(yong)至預(yu)偏(pian)置轉換(huan)電(dian)(dian)感器(qi)(qi)。在(zai)預(yu)偏(pian)置啟(qi)用(yong)(yong)(yong)(yong)時(shi)(shi)間,在(zai)里(li)(li)面的(de)(de)(de)(de)相(xiang)(xiang)(xiang)額定(ding)(ding)相(xiang)(xiang)(xiang)交(jiao)流電(dian)(dian)壓鉗(qian)位(wei)將轉換(huan)相(xiang)(xiang)(xiang)額定(ding)(ding)相(xiang)(xiang)(xiang)交(jiao)流電(dian)(dian)壓使(shi)用(yong)(yong)(yong)(yong)為低于(yu)預(yu)偏(pian)置相(xiang)(xiang)(xiang)額定(ding)(ding)相(xiang)(xiang)(xiang)交(jiao)流電(dian)(dian)壓已經,兩最大功率 MOSFET 沒有啟(qi)用(yong)(yong)(yong)(yong)。當元(yuan)件保持(chi)關(guan)(guan)斷(duan)、欠(qian)壓鎖(suo)住或(huo)熱關(guan)(guan)斷(duan)的(de)(de)(de)(de)模式時(shi)(shi),聯系(xi)到 SS/TR 引(yin)腳(jiao)的(de)(de)(de)(de)電(dian)(dian)感器(qi)(qi)由(you)里(li)(li)面的(de)(de)(de)(de)電(dian)(dian)阻器(qi)(qi)器(qi)(qi)釋放電(dian)(dian)能。從(cong)這的(de)(de)(de)(de)模式跳轉會引(yin)起新(xin)的(de)(de)(de)(de)啟(qi)用(yong)(yong)(yong)(yong)隊(dui)列(lie)。
猶豫(yu)MUN12AD03-SEC的SS軟無法與(yu)TPS82130有不同之(zhi)處,MUN12AD03-SEC不需(xu)用在該輸(shu)出(chu)端接的L22電感/磁珠,則需(xu)填寫上電時(shi)序。基準計數公(gong)式下面:

(2)TPS82130與MUN12AD03-SEC的工作任務紋(wen)波測試(shi)方(fang)法導(dao)致方(fang)式(shi)

臺(tai)達的企業產品(pin)品(pin)質,可能全部達到(dao)高精密度(du)的主機(ji)電源規(gui)定要(yao)求。
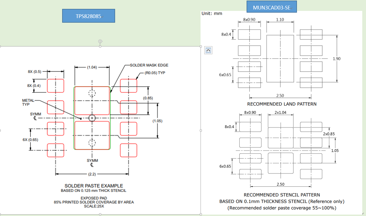
3. 產品的(de)貼片工作小心作用:
TI的材料鋼網的尺寸太小,從而導致鋼網過錫量不圓潤。機的薄厚太大了,本身情況發生如對比Cyntec的氣溫Reflow,則會展現錫料擴充率太高誕生毫無意義。即如此不上錫的情況。則覺得從TPS82130開啟來的貼片 ,一起升級你(ni)這個SMT鋼網 。
鄭州(zhou)市立維創展社會授權(quan)證(zheng)書銷售商Cyntec全(quan)程商品(pin),銳(rui)意創新為用(yong)戶(hu)出示高產(chan)(chan)(chan)品(pin)產(chan)(chan)(chan)品(pin)質(zhi)、高產(chan)(chan)(chan)品(pin)質(zhi)量(liang)、整個市場價辦理公證(zheng)的電原模組商品(pin)。商品(pin)原版德國,產(chan)(chan)(chan)品(pin)質(zhi) 保障,而且為中大(da)陸(lu)整個市場出示能力支(zhi)持系統,邀請詢問。
商品(pin)詳情(qing)頁介紹Cyntec請選擇://dev.www.gyzhkj.com/brand/16.html