企業手游資訊
上線(xian)用時(shi):2022-05-20 17:10:16 訪問(wen) :2000
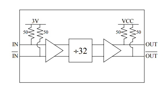
DV032是EUVIS的16針3x3mm塑料QFN高速封裝除以(yi)32靜態分頻器。由于輸入靈(ling)敏度高,輸出相位噪(zao)聲低(di),小規格尺(chi)寸(cun),DV032廣泛應用于通訊設備、儀器儀表(biao)、無線電/雷達(da)等領域。DV032接收0.2GHz(正弦波(bo)、直流方波(bo))14GHz輸入頻率,需(xu)要(yao)一個(ge) 5V的(de)單電源(yuan)。

常見特色
?0.2-14GHz帶(dai)寬起步(bu)
?低相(xiang)位環境(jing)噪聲:-140 dBc/Hz
?高設(she)置靈活度:-25 dBm
?輸入(ru)輸出幅值:800 mVp-p(差分)
?差動插入和傳輸
?50? 設置(zhi)/輸(shu)出的電位差(cha)
?單供電(dian):+5V
?功(gong)率(lv)使(shi)用量(liang):72mA
?16針(zhen)3x3mm塑(su)QFN打(da)包封裝(zhuang)
成(cheng)都 市立維創展(zhan)科技公(gong)司是EUVIS的(de)(de)進口代(dai)理經銷(xiao)處商(shang),一般展(zhan)示EUVIS的(de)(de)全國權威的(de)(de)髙速數模轉變(bian)成(cheng)DAC、直(zhi)接性數字(zi)化規律人(ren)工器DDS、重復使(shi)用DAC的(de)(de)基帶芯片(pian)級(ji)新物料(liao),甚至極速信(xin)息采集板(ban)卡、動向弧形(xing)會反(fan)應(ying)器等(deng)新物料(liao),原裝進口現貨平臺,價(jia)格多少優勢,誠邀了(le)解(jie)。
商品詳情頁分析(xi)EUVIS請(qing)鼠標單擊://dev.www.gyzhkj.com/brand/24.html