業咨訊
發布信息用時:2025-08-07 16:35:59 挑選:92
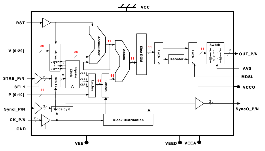
DS875是EUVIS的(de)四款專為高(gao)速(su)的(de)電(dian)磁(ci)波生產定制(zhi)的(de)高(gao)功能(neng)單獨數(shu)值速(su)度(du)煉(lian)制(zhi)器(DDS),其(qi)本質工作(zuo)亮點內(nei)(nei)在集變成高(gao)精(jing)度(du)高(gao)的(de)相位解調端口號,可(ke)(ke)以從(cong)直流電(dian)源至4GHz超(chao)高(gao)帶規模內(nei)(nei)的(de)頻繁與相位情況調節,可(ke)(ke)常見(jian)運用于預警雷達、光(guang)學戰、軟件(jian)表述無線網(wang)絡(luo)電(dian)及高(gao)速(su)公路通訊等對表現機(ji)靈(ling)性和城市熱力圖性讓嚴格的(de)的(de)領域。
一、DS875管(guan)理(li)處的特點對標管(guan)理(li)
DS875作為一個(ge)高穩(wen)定性DDS電子器件(jian),要素規格(ge)一般(ban)性還包括:
- 頻次辨別好壞率:≤0.1Hz
- 相(xiang)位幅度調制:16-bit之內判別率
- 靜態耐熱性:SFDR >80dBc @100MHz內容(rong)輸出
- 鐘表頻點(dian):≥1GHz
- 調諧加速度:<100ns
二、ADI方(fang)式(shi)方(fang)案設計
1. AD9914
- 優勢(shi):
- 1GSPS取樣率,32-bit頻繁 調諧字
- 一體(ti)化(hua)14-bit DAC,SFDR達90dBc(200MHz所(suo)在)
- 相(xiang)(xiang)位調配表層:可以支持(chi)16-bit相(xiang)(xiang)位偏移量字,的支持(chi)數(shu)字6/模擬訓練解調導入(ru)
- 超快跳頻(<5ns)
- 選用情境:雷達探測、網上戰、繞城高(gao)速(su)數據通信。
2. AD9958(雙(shuang)的通(tong)道DDS)
- 基本(ben)特征:
- 500MSPS/渠道,兼容(rong)正(zheng)交調變(bian)
- 人格獨(du)立的(de)相(xiang)位/震幅抑(yi)制(zhi)(每入口)
- 串行(xing)設定(ding)音頻接口還簡化的設計
- 可(ke)用場合:MIMO控制系統、相干(gan)走勢轉換
3. AD9102(集成化DDS+正弦波形數據存儲器(qi))
- 地域多(duo)元(yuan)化經營:
- 自帶SRAM數據存儲其中任何波形(xing)參數,扶(fu)持比較復雜調制解調
- 180MSPS發布率(lv),12-bit DAC
- 非常適合(he)必須(xu) 個性定制波型的(de)場地(如(ru)醫遼(liao)三維成像(xiang))

三(san)、TI代用方案怎么寫(xie)
1. DAC38J84(DDS+高速路DAC)
- 的關(guan)鍵參數(shu)值:
- 1.5GSPS DAC,支撐數字式(shi)正(zheng)交上(shang)個變(bian)頻(pin)式(shi)
- 可系(xi)統配置為(wei)DDS狀態,兼容(rong)相位多次跳頻(pin)
- JESD204B插(cha)孔優化快速數據源(yuan)外鏈
- 明顯采用:5Grf射(she)頻摸(mo)塊、北斗衛星通訊網(wang)絡
2. LMK04828(數字時鐘引發器(qi)+DDS)
- 突出點:
- 整合低噪音污染(ran)PLL和DDS,實(shi)行靈便(bian)鬧鐘獲(huo)得
- 相位同歩(bu)誤差<1ps
- 適于(yu)于(yu)需(xu)求嚴格的(de)時序的(de)軟件系統(如檢測儀實驗(yan)儀器)
選擇型號相對表
型號規格 | 經銷商 | 抽樣率 | SFDR@100MHz | 相位調變 | 模塊 | 特定功效 |
DS875 | EUVIS | 1GSPS | >80dBc | 16-bit | 并行傳(chuan)輸/SPI | 超高發抖 |
AD9914 | ADI | 1GSPS | 90dBc | 16-bit | SPI | 高速跳頻 |
AD9958 | ADI | 500MSPS | 85dBc | 14-bit | 串行 | 雙緩沖區正交輸 |
DAC38J84 | TI | 1.5GSPS | 78dBc | 14-bit | JESD204B | 結合金額上變頻柜 |
五、延伸改進措施
1. 日常動態機械性(xing)能體(ti)系優化:若體(ti)系對雜散強烈(lie),首選(xuan)選(xuan)取AD9914;如(ru)要(yao)多(duo)綠色通道同部(bu),考(kao)慮的(de)AD9958。
2. 接口(kou)協議兼(jian)容模式:老(lao)式機系(xi)統能用SPI模塊(kuai)尺寸(如AD9914),高速度程序推(tui)存(cun)JESD204B(如DAC38J84)。
3. 相位(wei)躁(zao)音(yin)的(de)標(biao)準(zhun):ADI的(de)DDS通(tong)常情況下遠(yuan)高于TI(如(ru)AD9914相位(wei)嘈音(yin)<-140dBc/Hz @1kHz偏(pian)差(cha))。
東莞 市立維創展新材料技術是EUVIS的加盟(meng)代理(li)生產商(shang)(shang)商(shang)(shang),其主要展(zhan)示 EUVIS的國(guo)內頂尖(jian)級(ji)的高速公路數模轉化DAC、馬上數字1頻繁(fan) 組(zu)成器(qi)DDS、重復使用DAC的處理(li)器(qi)級(ji)商(shang)(shang)品,或者極速采(cai)樣(yang)板卡、靜態波形(xing)參(can)數突發器(qi)等商(shang)(shang)品,原裝進(jin)口(kou)外盤,市(shi)場價優質,感謝管理(li)咨(zi)詢(xun)。
上一篇: 高速模數轉換器ADC時鐘極性與啟動時間
下一篇: 差分信號轉換成單端信號需要哪些元件?