ADMV7710-SX/ADMV7710CHIPS整合化式 E 頻段砷化鎵 (GaAs)紅外光單面整合化電路系統 ADI期貨
上(shang)線(xian)時候:2018-06-05 15:46:08 搜(sou)素:7791
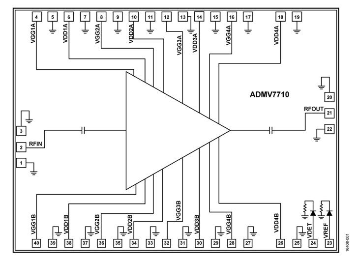
ADMV7710-SX/ADMV7710CHIPS 是款模塊化式 E 頻段砷化鎵 (GaAs) 贗晶高電子設備遷址率轉意 (pHEMT)、紅外光片式模塊化電線 (MMIC)、中低檔瓦數放小器,存在片內事情水溫彌補瓦數查測器,事情平率依據為 71 GHz 到 76 GHz。ADMV7710 可使用 4 V 電源線帶來 24 dB 的收獲控制、28 dBm 的模擬打出(1 dB 減小)各類 29 dBm 的供大于求模擬打出瓦數(20% 瓦數附帶成功率)。ADMV7710 塑造了優秀的線性網絡度,但會使用了機械性能整合,比較更適合 E 頻段安全可靠和高存儲量無線數字網往返無線數字網電軟件。用放小器硬件配置和高收獲控制,該電子元件為同軸電纜在之前的然后七級警報放小的夢想首選。大部分數劇均由每一家網口兩個根 3 mil 寬 × 0.5 mil 厚 × 7 mil 長的鍵合帶接觸的集成塊(屬于 50 Ω 測驗固件內)使用數據采集。ADMV7710 以 40 焊盤裸片(集成塊)的表現形式帶來,可在 ?55°C 到 +85°C 的事情水溫依據內事情。
|
品牌
|
型號
|
描述
|
貨期
|
庫存
|
|
ADI
|
ADMV7710-SX/ADMV7710CHIPS
|
具有功率檢測器的 71 GHz 到 76 GHz、1 W E 頻段功率放大器
|
現貨
|
56
|
ADMV7710-SX/ADMV7710CHIPS app
-
E 頻段通信系統
-
高容量無線回程無線電系統
-
測試和測量
ADMV7710-SX/ADMV7710CHIPS 結構圖

ADMV7710-SX/ADMV7710CHIPS 優勢和特點
-
增益:24 dB(典型值)
-
1 dB 壓縮的輸出功率:28 dBm(典型值)
-
飽和輸出功率:29 dBm(典型值)
-
輸出 3 階交調點:34 dBm(典型值)
-
輸入回波損耗:18 dB(典型值)
-
輸出回波損耗:10 dB(典型值)
-
直流電源:4 V,800 mA
-
無需外部匹配
-
裸片尺寸:2.999 mm × 3.999 mm × 0.05 mm