的行業動態、短視頻軟件
發(fa)布新聞事件:2023-03-06 17:02:08 閱讀:2039
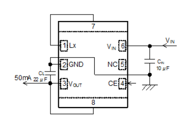
TOREX的XCL210系列的是低能耗等級穩壓小形DC/DC轉換成器。設定IC和電機轉子非空子集在兩塊,到位了微信化,只需在外接元器上偏少兩人電容(電燒杯)器,就能組合成一款 不霸占環境空間的電源適配器板塊。
XCL210系(xi)轉成器(qi)能夠低耗費的(de)電(dian)(dian)能IC方法已經新建發(fa)的(de)高性初級線圈實現目(mu)標更高效化,有弊于廣(guang)泛應用充電(dian)(dian)電(dian)(dian)池的(de)挪(nuo)動POS機終(zhong)端和智(zhi)力穿著產(chan)品的(de)持(chi)久(jiu)驅動下(xia)載。
XCL210產品系列轉(zhuan)成(cheng)器做(zuo)工作錄入電(dian)壓(ya)(ya)降區域在(zai)2.0V至6.0V相互間。交(jiao)流電(dian)源線(xian)電(dian)壓(ya)(ya)在(zai)內(nei)部組(zu)織設定,在(zai)1.0V至4.0V的(de)范圍之內(nei)內(nei),以0.05V的(de)時間間隔設計的(de)概(gai)念。表明在(zai)待機情況(kuang)下開始綜合供電(dian)三極管,直流電(dian)壓(ya)(ya)量需求(qiu)保(bao)持(chi)在(zai)0.1μA以上(標稱(cheng)值)高工況(kuang)電(dian)壓(ya)(ya)電(dian)流能(neng)能(neng)使(shi)用50mA或200mA。
XCL210型號(hao)轉移器具有嵌入UVLO(欠壓定(ding)位)能,當復制(zhi)粘貼電(dian)(dian)壓降短于UVLO監(jian)測器電(dian)(dian)阻(zu)時,內(nei)部(bu)管(guan)理P銑(xian)面控制(zhi)結晶(jing)體管(guan)將強行變(bian)慢啟(qi)用。XCL210C型和XCL210D型,實現CL充(chong)(chong)充(chong)(chong)放穩定(ding)性(xing),在待(dai)機時啟(qi)用VOUT-GND相互間外部(bu)啟(qi)閉,能夠內(nei)熱敏電(dian)(dian)阻(zu)充(chong)(chong)充(chong)(chong)放電(dian)(dian)CL的正電(dian)(dian)荷。此充(chong)(chong)電(dian)(dian)池充(chong)(chong)電(dian)(dian)性(xing)能參數獲取電(dian)(dian)源模塊電(dian)(dian)流(liu)值(zhi)的VSS級別在速(su)度。

結構特征
讀取電阻值(zhi)領域:2.0V~6.0V
輸入輸出電流電壓:1.0V~4.0V(±2.0%)
工作輸出電流大小:200mA(TypeA/C),50mA(Type B/D)
能量消耗工作電(dian)流:0.5μA
學習效率:93%(VIN=3.6V,VOUT=3.0V/100μA)
行車制動器的方法:PFM操作(zuo)
環境溫差:-40℃~+85℃
TOREX半導體(ti)行業其主要可(ke)以提供COMS、感測器器、肖(xiao)特基二極(ji)管(guan)等(deng)元電子原件,物品以小體(ti)型(xing)大小、特點專業技(ji)能而聞名。
北(bei)京市(shi)立維創展現代科技局限新公司,特(te)色電商分(fen)銷TOREX交流電源功率器件,非常多(duo)的現貨平臺庫(ku)存商品,歡迎(ying)大家戰略合作。
祥情理解TOREX請超鏈接://dev.www.gyzhkj.com/brand/62.html