行業領域新聞
上線時:2023-05-19 16:50:59 預(yu)覽:1596
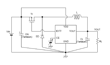
TOREX XC6365系列是內嵌(qian)高(gao)速度低通(tong)態電阻控(kong)制器(qi)的通(tong)用(yong)型高(gao)頻率(lv)降(jiang)(jiang)壓DC/DC控(kong)制器(qi)集(ji)成電路。采用(yong)晶體管(guan)(guan),電感線圈,二極管(guan)(guan)和電容器(qi)共4種外(wai)置器(qi)件,可創建輸出(chu)電流為1A以上高(gao)效率(lv)降(jiang)(jiang)壓DC/DC轉換器(qi)。
XC6365系有(you)效控制板要能在1.5V~6.0V(精硬度±2.5%)領域天內(nei),以(yi)0.1V的(de)(de)安全距(ju)離完成裝置(VOUT型(xing))。然后,除開VOUT型(xing)外面,還兼備(bei)嵌入(ru)式1.0V的(de)(de)國家標準電(dian)壓電(dian)流值源,就能夠外置配件任何放置傳(chuan)輸電(dian)壓電(dian)流值的(de)(de)規格尺寸(cun)(FB型(xing))。
XC6365系(xi)例掌握器因面板(ban)開關(guan)幾(ji)率(lv)高至300kHz,能否運用微(wei)信外(wai)置元器件封裝。所以(yi),在由(you)小過載至大轉(zhuan)換電(dian)壓(ya)電(dian)流(liu)的整體結構過載比率(lv)時間內,到達高生產率(lv)率(lv)。
XC6365產品保持(chi)器(qi)軟起動(dong)時(shi)時(shi)段有,在內制定為10ms的(de)年紀(A,B型(xing)),十分適用性外置電阻器(qi)和濾波電金屬(shu)罐進行優化網絡的(de)規格(C,D型(xing))。
利用待(dai)機穩定性,可開始(shi)作(zuo)業使直流電耗(hao)損率達(da)0.5μA以(yi)內(CE端(duan)"L")。
XC6365產品把握(wo)器內置UVLO特性(xing),當放入的電(dian)壓值在同(tong)一的電(dian)壓值狀態下時,會硬(ying)性(xing)性(xing)把外(wai)置晶胞(bao)管上斷(duan)。
形態
設(she)置電壓值使用范圍:2.2V~10V
轉換電流電壓區(qu)域:1.5V~6.0V(0.1V距離),±2.5%
工做頻點:300kHz±15%,玩家(jia)定制開發180,500kHz
效果功率:1.0A(VIN=5.0V,VOUT=3.0V)
高(gao)換(huan)算(suan)吸收率(lv):92%(TYP.)
待機械(xie)流:ISTB=0.5μA(MAX.)
TOREX半導(dao)體技術包(bao)括帶(dai)來(lai)了COMS、傳感(gan)測(ce)器器、肖特(te)基二極管等元元器,新產(chan)品以小比熱容、性優良而著名人物。
武漢市立維創(chuang)展(zhan)信息技(ji)術有效大公司,競(jing)爭優勢分銷系(xi)統TOREX供電元器件(jian),海量期貨存儲,歡(huan)迎會進行合作。
具體詳情知道TOREX請雙擊://dev.www.gyzhkj.com/brand/62.html

材質(zhi) | Type | Output Voltage | Oscillation Frequency | Packages |
XC6365A152ER-G | VOUT type: internally set-up, Soft-start internally set-up | 1.5V | 180kHz | USP-6C |
XC6365A152MR-G | VOUT type: internally set-up, Soft-start internally set-up | 1.5V | 180kHz | SOT-25 |
XC6365A153ER-G | VOUT type: internally set-up, Soft-start internally set-up | 1.5V | 300kHz | USP-6C |
XC6365A153MR-G | VOUT type: internally set-up, Soft-start internally set-up | 1.5V | 300kHz | SOT-25 |
XC6365A155ER-G | VOUT type: internally set-up, Soft-start internally set-up | 1.5V | 500kHz | USP-6C |
XC6365A155MR-G | VOUT type: internally set-up, Soft-start internally set-up | 1.5V | 500kHz | SOT-25 |
XC6365A162ER-G | VOUT type: internally set-up, Soft-start internally set-up | 1.6V | 180kHz | USP-6C |
XC6365A162MR-G | VOUT type: internally set-up, Soft-start internally set-up | 1.6V | 180kHz | SOT-25 |
XC6365A163ER-G | VOUT type: internally set-up, Soft-start internally set-up | 1.6V | 300kHz | USP-6C |
XC6365A163MR-G | VOUT type: internally set-up, Soft-start internally set-up | 1.6V | 300kHz | SOT-25 |
XC6365A165ER-G | VOUT type: internally set-up, Soft-start internally set-up | 1.6V | 500kHz | USP-6C |
XC6365A165MR-G | VOUT type: internally set-up, Soft-start internally set-up | 1.6V | 500kHz | SOT-25 |
XC6365A172ER-G | VOUT type: internally set-up, Soft-start internally set-up | 1.7V | 180kHz | USP-6C |
XC6365A172MR-G | VOUT type: internally set-up, Soft-start internally set-up | 1.7V | 180kHz | SOT-25 |
XC6365A173ER-G | VOUT type: internally set-up, Soft-start internally set-up | 1.7V | 300kHz | USP-6C |
XC6365A173MR-G | VOUT type: internally set-up, Soft-start internally set-up | 1.7V | 300kHz | SOT-25 |
XC6365A175ER-G | VOUT type: internally set-up, Soft-start internally set-up | 1.7V | 500kHz | USP-6C |
XC6365A175MR-G | VOUT type: internally set-up, Soft-start internally set-up | 1.7V | 500kHz | SOT-25 |
XC6365A182ER-G | VOUT type: internally set-up, Soft-start internally set-up | 1.8V | 180kHz | USP-6C |
XC6365A182MR-G | VOUT type: internally set-up, Soft-start internally set-up | 1.8V | 180kHz | SOT-25 |
XC6365A183ER-G | VOUT type: internally set-up, Soft-start internally set-up | 1.8V | 300kHz | USP-6C |
XC6365A183MR-G | VOUT type: internally set-up, Soft-start internally set-up | 1.8V | 300kHz | SOT-25 |
XC6365A185ER-G | VOUT type: internally set-up, Soft-start internally set-up | 1.8V | 500kHz | USP-6C |
XC6365A185MR-G | VOUT type: internally set-up, Soft-start internally set-up | 1.8V | 500kHz | SOT-25 |
XC6365A192ER-G | VOUT type: internally set-up, Soft-start internally set-up | 1.9V | 180kHz | USP-6C |
XC6365A192MR-G | VOUT type: internally set-up, Soft-start internally set-up | 1.9V | 180kHz | SOT-25 |
XC6365A193ER-G | VOUT type: internally set-up, Soft-start internally set-up | 1.9V | 300kHz | USP-6C |
XC6365A193MR-G | VOUT type: internally set-up, Soft-start internally set-up | 1.9V | 300kHz | SOT-25 |
XC6365A195ER-G | VOUT type: internally set-up, Soft-start internally set-up | 1.9V | 500kHz | USP-6C |
XC6365A195MR-G | VOUT type: internally set-up, Soft-start internally set-up | 1.9V | 500kHz | SOT-25 |
XC6365A202ER-G | VOUT type: internally set-up, Soft-start internally set-up | 2.0V | 180kHz | USP-6C |
XC6365A202MR-G | VOUT type: internally set-up, Soft-start internally set-up | 2.0V | 180kHz | SOT-25 |
XC6365A203ER-G | VOUT type: internally set-up, Soft-start internally set-up | 2.0V | 300kHz | USP-6C |
XC6365A203MR-G | VOUT type: internally set-up, Soft-start internally set-up | 2.0V | 300kHz | SOT-25 |
XC6365A205ER-G | VOUT type: internally set-up, Soft-start internally set-up | 2.0V | 500kHz | USP-6C |
XC6365A205MR-G | VOUT type: internally set-up, Soft-start internally set-up | 2.0V | 500kHz | SOT-25 |
XC6365A212ER-G | VOUT type: internally set-up, Soft-start internally set-up | 2.1V | 180kHz | USP-6C |
XC6365A212MR-G | VOUT type: internally set-up, Soft-start internally set-up | 2.1V | 180kHz | SOT-25 |
XC6365A213ER-G | VOUT type: internally set-up, Soft-start internally set-up | 2.1V | 300kHz | USP-6C |
XC6365A213MR-G | VOUT type: internally set-up, Soft-start internally set-up | 2.1V | 300kHz | SOT-25 |
XC6365A215ER-G | VOUT type: internally set-up, Soft-start internally set-up | 2.1V | 500kHz | USP-6C |
XC6365A215MR-G | VOUT type: internally set-up, Soft-start internally set-up | 2.1V | 500kHz | SOT-25 |
XC6365A222ER-G | VOUT type: internally set-up, Soft-start internally set-up | 2.2V | 180kHz | USP-6C |
XC6365A222MR-G | VOUT type: internally set-up, Soft-start internally set-up | 2.2V | 180kHz | SOT-25 |
XC6365A223ER-G | VOUT type: internally set-up, Soft-start internally set-up | 2.2V | 300kHz | USP-6C |
XC6365A223MR-G | VOUT type: internally set-up, Soft-start internally set-up | 2.2V | 300kHz | SOT-25 |
XC6365A225ER-G | VOUT type: internally set-up, Soft-start internally set-up | 2.2V | 500kHz | USP-6C |
XC6365A225MR-G | VOUT type: internally set-up, Soft-start internally set-up | 2.2V | 500kHz | SOT-25 |
XC6365A232ER-G | VOUT type: internally set-up, Soft-start internally set-up | 2.3V | 180kHz | USP-6C |
XC6365A232MR-G | VOUT type: internally set-up, Soft-start internally set-up | 2.3V | 180kHz | SOT-25 |