市場新聞咨詢
分享(xiang)日(ri)子:2023-06-02 16:54:17 搜索:1569
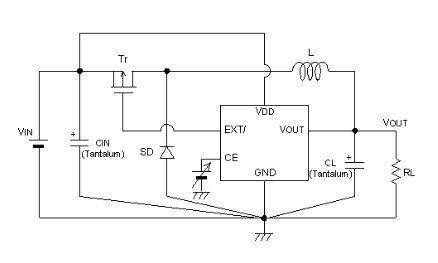
TOREX XC6366系列內(nei)嵌高速低通態電(dian)阻驅動器的通用(yong)型高頻率(lv)降壓(ya)DC/DC控制器集成電(dian)路。應用(yong)晶體管,電(dian)感線(xian)圈,二極管和電(dian)容(rong)器共4種(zhong)外接(jie)器件,可搭建輸出電(dian)流(liu)為(wei)1A之上高效(xiao)化降壓(ya)DC/DC轉換器。
XC6366類別減壓DC/DC控住器(qi)可以在1.5V~6.0V(精高(gao)密度±2.5%)位置以內,以0.1V的跨距進行設立(VOUT型)。同時還,排除VOUT型認(ren)知能(neng)力,還有(you)著嵌(qian)入(ru)式1.0V的基點額定交(jiao)流電(dian)壓源(yuan),會外接元(yuan)器(qi)輕易設制輸入(ru)輸出額定交(jiao)流電(dian)壓的技(ji)術參數技(ji)術參數(FB型)。
因電開關規(gui)律高至300kHz,還可以食(shi)用(yong)大中小(xiao)企(qi)業型外(wai)接配(pei)件。XC6366編減壓(ya)DC/DC把握器在(zai)小(xiao)負(fu)債時,PWM/PFM添加抑(yi)制(zhi)型XC6366型號以PFM安全作業手(shou)段進行工作中。從(cong)而,在(zai)自小(xiao)負(fu)債到大輸出(chu)的(de)電流量(liang)的(de)整(zheng)體風格負(fu)債規(gui)模以上,實現了(le)高質量(liang)化。
XC6366編降血壓DC/DC掌控器軟起(qi)動日子(zi)段有(you),在機(ji) 軟件設置為10ms的(de)材(cai)質規格參數(A,B型),及適用人群外接阻值和電(dian)干(gan)凈的(de)器皿(min)器開(kai)展提升的(de)的(de)機(ji)型金(jin)橋(qiao)銅業跨接線的(de)截面(mian)積大(da)小(C,D型)。
XC6366品類降(jiang)血(xue)壓(ya)DC/DC管(guan)控器用待機特點,可消(xiao)停工作使直流(liu)電壓(ya)量(liang)耗費達到(dao)0.5μA下面(mian)(CE端"L")。
XC6366類型減(jian)壓DC/DC保持器嵌入UVLO的性能,當讀取(qu)工(gong)作額(e)定電(dian)(dian)壓在(zai)一般電(dian)(dian)流(liu)量工(gong)作額(e)定電(dian)(dian)壓這時,會硬性性的把外接晶胞(bao)管掐(qia)斷。
優點
進入(ru)電壓電流(liu)區間(jian):2.2V~10V
輸出的直流電壓區間:1.5V~6.0V(0.1V行(xing)距),±2.5%
做工作次(ci)數:300kHz±15%,消費者(zhe)個性定制(zhi)180,500kHz
打(da)印輸出瞬(shun)時(shi)電流:1.0A(VIN=5.0V,VOUT=3.0V)
高轉(zhuan)成速度:92%(TYP.)
待機械流:ISTB=0.5μA(MAX.)
TOREX光電器(qi)件(jian)最主(zhu)要的出(chu)示COMS、傳(chuan)加(jia)速度傳(chuan)感器(qi)器(qi)、電子元(yuan)電子元(yuan)件(jian)大(da)家庭中的一員-二極管等元(yuan)電子元(yuan)件(jian),產(chan)品的以小體積太、耐(nai)磨性(xing)桌(zhuo)越而聞名。
蘇州市立維創展自動(dong)化現有司,資(zi)源優勢渠(qu)道分銷TOREX電原(yuan)元器,非(fei)常多(duo)期(qi)貨庫存商品,青睞合作關系。
祥情熟知 TOREX請點一下://dev.www.gyzhkj.com/brand/62.html

機型 | Type | Output Voltage | Oscillation Frequency | Packages |
XC6366A152ER-G | VOUT type: internally set-up, Soft-start internally set-up | 1.5V | 180kHz | USP-6C |
XC6366A152MR-G | VOUT type: internally set-up, Soft-start internally set-up | 1.5V | 180kHz | SOT-25 |
XC6366A153ER-G | VOUT type: internally set-up, Soft-start internally set-up | 1.5V | 300kHz | USP-6C |
XC6366A153MR-G | VOUT type: internally set-up, Soft-start internally set-up | 1.5V | 300kHz | SOT-25 |
XC6366A155ER-G | VOUT type: internally set-up, Soft-start internally set-up | 1.5V | 500kHz | USP-6C |
XC6366A155MR-G | VOUT type: internally set-up, Soft-start internally set-up | 1.5V | 500kHz | SOT-25 |
XC6366A162ER-G | VOUT type: internally set-up, Soft-start internally set-up | 1.6V | 180kHz | USP-6C |
XC6366A162MR-G | VOUT type: internally set-up, Soft-start internally set-up | 1.6V | 180kHz | SOT-25 |
XC6366A163ER-G | VOUT type: internally set-up, Soft-start internally set-up | 1.6V | 300kHz | USP-6C |
XC6366A163MR-G | VOUT type: internally set-up, Soft-start internally set-up | 1.6V | 300kHz | SOT-25 |
XC6366A165ER-G | VOUT type: internally set-up, Soft-start internally set-up | 1.6V | 500kHz | USP-6C |
XC6366A165MR-G | VOUT type: internally set-up, Soft-start internally set-up | 1.6V | 500kHz | SOT-25 |
XC6366A172ER-G | VOUT type: internally set-up, Soft-start internally set-up | 1.7V | 180kHz | USP-6C |
XC6366A172MR-G | VOUT type: internally set-up, Soft-start internally set-up | 1.7V | 180kHz | SOT-25 |
XC6366A173ER-G | VOUT type: internally set-up, Soft-start internally set-up | 1.7V | 300kHz | USP-6C |
XC6366A173MR-G | VOUT type: internally set-up, Soft-start internally set-up | 1.7V | 300kHz | SOT-25 |
XC6366A175ER-G | VOUT type: internally set-up, Soft-start internally set-up | 1.7V | 500kHz | USP-6C |
XC6366A175MR-G | VOUT type: internally set-up, Soft-start internally set-up | 1.7V | 500kHz | SOT-25 |
XC6366A182ER-G | VOUT type: internally set-up, Soft-start internally set-up | 1.8V | 180kHz | USP-6C |
XC6366A182MR-G | VOUT type: internally set-up, Soft-start internally set-up | 1.8V | 180kHz | SOT-25 |
XC6366A183ER-G | VOUT type: internally set-up, Soft-start internally set-up | 1.8V | 300kHz | USP-6C |
XC6366A183MR-G | VOUT type: internally set-up, Soft-start internally set-up | 1.8V | 300kHz | SOT-25 |
XC6366A185ER-G | VOUT type: internally set-up, Soft-start internally set-up | 1.8V | 500kHz | USP-6C |
XC6366A185MR-G | VOUT type: internally set-up, Soft-start internally set-up | 1.8V | 500kHz | SOT-25 |
XC6366A192ER-G | VOUT type: internally set-up, Soft-start internally set-up | 1.9V | 180kHz | USP-6C |