領域訊息
發布消息(xi)的時間:2023-07-20 17:01:44 打開網頁:1530
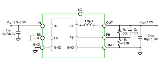
SILERGY(矽力杰)SQ76001RCC是款3MHz、1.2A同部降血壓三相調壓器,SQ76001RCC在另一普通大型封裝形式(2.5mm×2.0mm,H=1.1mm)中智能家居控制化化工率電感和智能家居控制化基帶芯片。SQ76001RCC高效率的化,3MHz,1.2A嵌入功效電感同時進行降血壓電壓穩壓器。

特性
內層掌(zhang)握按鈕(表(biao)層/側面)低RDS(ON):230mΩ/150mΩ
集成型化電(dian)感以主要(yao)效率(lv)減輕(qing)外表(biao)器材和PCB縱向(xiang)設計的(de)概念
2.5~5.5V電(dian)阻范疇
1.2A不間斷(duan)性(xing)輸入交流電性(xing)
3MHz高事情工作頻(pin)率(lv)大局限降(jiang)低了了外模快(kuai)
組織結構軟通電管(guan)控(kong)浪涌電流大小
100%Dropout選擇
無法RoHS標準(zhun)化且無鹵化物
傳輸手動化(hua)充(chong)充(chong)放電的功(gong)能
主體工程型(xing)封口:QFN2.5×2-8
SILERGY(矽力杰)主要是制造主機主機電源集成電路芯片、主機主機電源模組等模仿功率器件。致使SQ76001RCC成本高,交貨長,行業介紹pin to pin原位使用SQ76001RCC,改用款式(shi)為:MUN3CAD01-SB,MUN3CAD01-SB便(bian)捷DC/DC主機電(dian)(dian)源方案。在2.5V和5.5V復制粘貼電(dian)(dian)壓值范(fan)圍圖內的裝載(zai)工作電(dian)(dian)流高(gao)至1.2A時形成+1.8V輸入(ru)交流電(dian)(dian)壓。MUN3CAD01-SB電(dian)(dian)開關(guan)規律為(wei)3.0MHz,選擇(ze)所保證的傳感器可實現了高(gao)至90%的的效率。現貨平臺特點售價,歡迎語咨(zi)詢服務。
商品詳情頁理解MUN3CAD01-SB請點擊(ji)進入://dev.www.gyzhkj.com/article/2669.html