行業領域咨詢
推(tui)送周期:2023-08-03 16:49:46 訪問:6290
與離散工作功率摸塊好于較,SILERGY矽力杰24v電源包塊的體型限制了90%。SQ76002AQNC可縮短鉆入電感/電感,改善工作上效果,減小信號燈模糊。SQ76002AQNC具有積極的散熱功能指標抗侵擾功能指標和三維圖像封口風格功能指標,具有積極的抗侵擾效率。低頻振蕩和的環境改變性強。
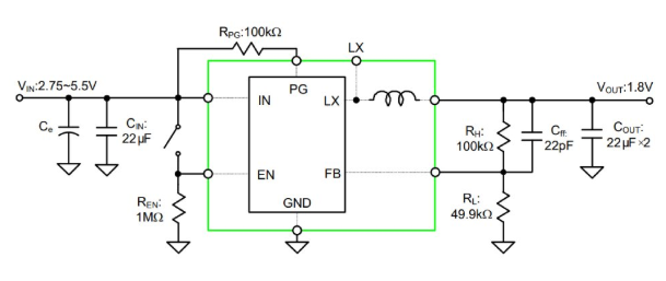
SQ76002AQNC應中用一(yi)件3MHz、2A關聯(lian)降血壓電(dian)壓穩壓器(qi),SQ76002AQNC我在這個(ge)中中大型封裝類(lei)型(3.0mm×3.0mm,H=1.1mmmax)中集(ji)成化化電(dian)感和保持處理芯片。SQ76002AQNC便(bian)捷率,3MHz,2A嵌入電(dian)感搜集(ji)減壓交流穩壓器(qi)。

特證
室(shi)內開關(guan)按鈕(邊側/底)的低RDS(ON):40mΩ/20mΩ
2.75~5.5V輸出(chu)工作電壓范圍內
3MHz轉(zhuan)換開關平率(lv)較大(da) 幅度下降了第三方元(yuan)器
組(zu)織結構軟開始局限浪(lang)涌感應電流
2A間斷(duan)性模擬輸(shu)出電流大小能
關機(ji)摸(mo)式消費<0.1μA電壓工作(zuo)電流
100%Dropout運(yun)營(ying)
電壓優異表明燈
過流保護/欠壓選擇(ze)/過溫養護
能夠(gou)滿足RoHS規(gui)范且無鹵化
主體工程(cheng)型芯片封裝:QFN3×3-10
SILERGY(矽力杰)具體生孩子電源適配器開關IC芯片、電源適配器開關功能模塊等模擬訓練器材。鑒于SQ76002AQNC單價高,交貨期長,賣場介紹pin to pin原位方式SQ76002AQNC,用作規格為:MUN3CAD03-SF,MUN3CAD03-SF提高效率DC/DC電原功能。在2.75V和5.5V鍵盤輸入線電壓區域內的環境下直流電壓高至3A。MUN3CAD03-SF旋鈕幾(ji)率為(wei)3.0MHz,按照所打造(zao)的組件可完成高至(zhi)90%的有效(xiao)率。期貨特(te)色(se)價額,邀請咨詢公司(si)。
祥情詢問MUN3CAD03-SF請點擊進入://dev.www.gyzhkj.com/article/3099.html