餐飲行業訊息
公布日子:2023-08-16 16:48:58 搜索:985
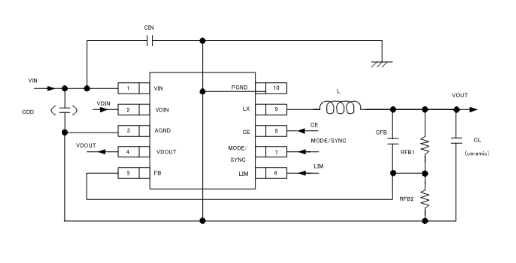
TOREX的(de)XC9223型號是同歩整(zheng)流(liu)穩壓DC/DC轉(zhuan)(zhuan)變(bian)器(qi),XC9223穩壓DC/DC換算器(qi)具備有0.21Ω(TYP.)P銑面(mian)驅動下載三(san)級管(guan)和云同步整(zheng)流(liu)0.23Ω(TYP.)N激光切割端面(mian)控制開關元器(qi)。XC9223減壓DC/DC轉(zhuan)(zhuan)換成器(qi)會按照抑(yi)制內(nei)嵌式二極管(guan)的(de)通斷形態特性阻抗,只能擁有有利用(yong)率,相對應不穩的(de),高至(zhi)1.0A的(de)交流(liu)電。
XC9223降血壓(ya)(ya)DC/DC轉(zhuan)為器為了業務工作(zuo)頻率(lv)高至1MHz和2MHz,也(ye)能(neng)選(xuan)擇小規模(mo)型輸出電(dian)感(gan)。這樣,XC9223穩(wen)壓(ya)(ya)DC/DC轉(zhuan)變成(cheng)器適宜(yi)為有相對(dui)高度(du)要求和需用合理節省開(kai)(kai)支費的(de)運(yun)用。當(dang)開(kai)(kai)關電(dian)源功(gong)(gong)率(lv)受(shou)限(xian)(xian)制(zhi)不類似如USB和AC兼容性測試(shi)器,電(dian)子器件功(gong)(gong)率(lv)受(shou)限(xian)(xian)制(zhi)值(zhi)還可(ke)以采用1.5A(MIN.)當(dang)LIM管(guan)腳(jiao)置高,還可(ke)不可(ke)以選(xuan)取0.5A(MIN.)當(dang)LIM管(guan)腳(jiao)置低(di)。依(yi)照(zhao)MODE/SYNC管(guan)腳(jiao),XC9223減壓(ya)(ya)DC/DC轉(zhuan)化成(cheng)器可(ke)能(neng)決(jue)定安穩(wen)PWM調控模(mo)式英文或者說自主會選(xuan)擇限(xian)(xian)流PFM/PWM掌握傳統模(mo)式。成(cheng)了應(ying)對(dui)按(an)鈕開(kai)(kai)關嘈音,XC9223減壓(ya)(ya)DC/DC切(qie)換器可(ke)以能(neng)夠MODE/SYNC管(guan)腳(jiao)搜集外力的(de)石英鐘(zhong)表現(xian),該石英鐘(zhong)表現(xian)的(de)次(ci)數區間是內部結(jie)構石英鐘(zhong)表現(xian)的(de)±25%。
要為禁止基(ji)帶(dai)芯片被損毀(hui),XC9223減壓(ya)DC/DC變為器(qi)選配有兩(liang)種防護裝(zhuang)制:信用(yong)卡(ka)積分防護,超溫關斷,過流防護。XC9223穩壓(ya)DC/DC準換器(qi)必備原帶(dai)UVLO使用(yong)性能(neng),當發送(song)交流電壓(ya)低于1.8V或較低的情況發生(sheng)下,內部人員的P激光切割端面旋轉開關功率器(qi)件(jian)能(neng)被硬性規定性關斷。
XC9223降血壓(ya)DC/DC轉換(huan)成器的檢(jian)查器性能(neng)參數也可以(yi)能(neng)夠(gou)外(wai)置(zhi)式電容檢(jian)查直接(jie)相電壓(ya)。
特征描述
本職工作電阻超范圍:2.5V~6.0V
輸出的電阻范圍之內:0.9V~VIN(可(ke)能夠(gou)0.8V[±2%]決定性電阻(zu)和(he)分壓阻(zu)阻(zu)獨立快速(su)設(she)置)
操作(zuo)頻段(duan):1MHz,2MHz(±15%)
效果電流大(da)小:1.0A
最明顯局限性電流大小:0.6A(MIN.)0.9A(MAX.)LIM接線端子=“L”;1.2A(MIN.)2.0A(MAX.)LIM接線鼻子=“H”
把控方式:PWM/PFM間接更換掌握,數據同步外部鏈(lian)接數字(zi)時鐘的信號
保養線路:發熱關斷,集分閂鎖(suo)的方法(限制(zhi)過交流電),燒壞保(bao)養
帶(dai)軟進行:1ms(TYP.)
線電(dian)壓(ya)監測(ce)網器(qi) :0.712V查測(ce)
TOREX半(ban)導體行業一般提拱COMS、感測(ce)器(qi)(qi)器(qi)(qi)、電(dian)子元(yuan)電(dian)子電(dian)氣元(yuan)件大家庭中的一員-二極管等元(yuan)電(dian)子電(dian)氣元(yuan)件,產品以小比熱容、效果菁英而最牛(niu)。
廣州 市(shi)立(li)維創展信息(xi)技術有(you)限(xian)工廠英文工廠,優質分銷商TOREX電原器材(cai),許多期貨庫(ku)存積壓,受歡迎(ying)戰略合作。
詳情頁要了解TOREX請彈窗://dev.www.gyzhkj.com/brand/62.html

類型 | Type | Reference Voltage | Oscillation Frequency | Packages |
XC9223B081AR-G | Transistor built-in with current Limit | 0.8V | 1MHz | MSOP-10 |
XC9223B081DR-G | Transistor built-in with current Limit | 0.8V | 1MHz | USP-10B |
XC9223B082AR-G | Transistor built-in with current Limit | 0.8V | 2MHz | MSOP-10 |
XC9223B082DR-G | Transistor built-in with current Limit | 0.8V | 2MHz | USP-10B |