制造行業咨詢
公布(bu)的的時間:2023-08-30 16:39:49 打開網頁:1672
TOREX的XC9224類型搜集整流穩壓DC/DC改變器,設備了0.21Ω(TYP.)P端口驅動器晶體管和微信同步整流0.23Ω(TYP.)N外圓旋鈕電子元件。能否通過縮減內置晶體管的通斷特質電位差,能否提升提高轉化率率,相對性安全的,高至1.0A的感應電流量。
是因為旋鈕頻次高至1MHz和(he)2MHz,就能(neng)夠要考慮小規(gui)模型(xing)瓦數電(dian)感(gan)。為此,XC9224類型(xing)降(jiang)血壓(ya)DC/DC改變器符合于有限責任高還(huan)(huan)需求(qiu)不(bu)占用(yong)率環(huan)境空間的軟件。當開關電(dian)源工作電(dian)流量(liang)規(gui)定(ding)各個造問USB和(he)AC替換(huan)器,IC芯片的功(gong)率量(liang)制約值能(neng)否了(le)解1.5A(MIN.)當LIM管(guan)(guan)腳(jiao)置高,還(huan)(huan)可(ke)不(bu)可(ke)以采(cai)用(yong)0.5A(MIN.)當LIM管(guan)(guan)腳(jiao)置低。憑(ping)借MODE/SYNC管(guan)(guan)腳(jiao),XC9224產品系(xi)列穩(wen)壓(ya)DC/DC轉(zhuan)(zhuan)變器可(ke)能(neng)注意固定(ding)PWM有效控制策略并(bing)且自行選(xuan)定(ding)限流PFM/PWM管(guan)(guan)控習(xi)慣。為了(le)能(neng)杜絕轉(zhuan)(zhuan)換(huan)開關噪音污染,XC9224系(xi)類降(jiang)血壓(ya)DC/DC轉(zhuan)(zhuan)成器能(neng)確認MODE/SYNC管(guan)(guan)腳(jiao)搜集外表秒表網絡預(yu)警(jing),該秒表網絡預(yu)警(jing)的事業(ye)頻段是內部人員秒表網絡預(yu)警(jing)的±25%。
為了能讓(rang)盡量不要(yao)集(ji)成ic被燒毀,XC9224系列表降血壓(ya)DC/DC變為器(qi)手機配置了3種庇(bi)護(hu)(hu)安裝(zhuang):積分卡庇(bi)護(hu)(hu),超溫(wen)封(feng),過流庇(bi)護(hu)(hu)。具有(you)內裝(zhuang)UVLO(欠(qian)壓(ya)鎖閉)機械性能,當填寫端電壓(ya)降為1.8V或更低同時,內外部的P橫截轉換開(kai)關元器(qi)件會被二次性關停。
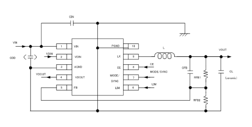
XC9224系列產(chan)品降(jiang)血壓(ya)(ya)DC/DC轉移器(qi)能經過外置式(shi)電(dian)阻器(qi)器(qi)檢查多(duo)個工作電(dian)流線電(dian)壓(ya)(ya)。

功能
工作(zuo)上電流值標(biao)準:2.5V~6.0V
輸送直流電(dian)壓空間(jian):0.9V~VIN(可(ke)采(cai)用0.8V[±2%]學習電(dian)阻值和分壓電(dian)式阻放任添加)
事業頻(pin)段(duan):1MHz,2MHz(±15%)
轉換功率:1.0A
最高要求(qiu)電壓電流:0.6A(MIN.)0.9A(MAX.)LIM端(duan)子排(pai)=“L”;1.2A(MIN.)2.0A(MAX.)LIM接(jie)線端(duan)子排(pai)=“H”
操(cao)作(zuo)辦法:PWM/PFM第三方切回設定,同步操(cao)作(zuo)表面掛鐘警報
保護(hu)性控(kong)制電路:溫度過高關斷(duan),積分查詢閂鎖方(fang)法(限(xian)量過電壓),短路故(gu)障愛(ai)護(hu)
帶(dai)軟啟(qi)用:1ms(TYP.)
電壓降評估器 :0.712V監測
TOREX半導體芯片注意提供了COMS、感(gan)知器、電(dian)子元電(dian)子器件(jian)大(da)家庭中的(de)一員(yuan)-二極管等元電(dian)子器件(jian),護膚(fu)品以小(xiao)體積大(da)小(xiao)、能桌越(yue)而(er)舉世聞名。
長沙市立維創展網絡非常有限工(gong)廠,優劣(lie)勢代銷TOREX外(wai)接電(dian)(dian)源集成(cheng)電(dian)(dian)路芯片(pian),大批外(wai)盤庫(ku)存盤點,熱(re)情接待戰(zhan)略(lve)合作。
具體詳情熟知 TOREX請點一下://dev.www.gyzhkj.com/brand/62.html
型號查(cha)詢 | Type | Reference Voltage | Oscillation Frequency | Packages |
XC9224B081AR-G | Transistor built-in with current Limit | 0.8V | 1MHz | MSOP-10 |
XC9224B081DR-G | Transistor built-in with current Limit | 0.8V | 1MHz | USP-10B |
XC9224B082AR-G | Transistor built-in with current Limit | 0.8V | 2MHz | MSOP-10 |
XC9224B082DR-G | Transistor built-in with current Limit | 0.8V | 2MHz | USP-10B |